EasyManua.ls Logo

Denyo DCA-6LSX - Page 58

Denyo DCA-6LSX
64 pages
Print Icon
To Next Page IconTo Next Page
To Next Page IconTo Next Page
To Previous Page IconTo Previous Page
To Previous Page IconTo Previous Page
Loading...
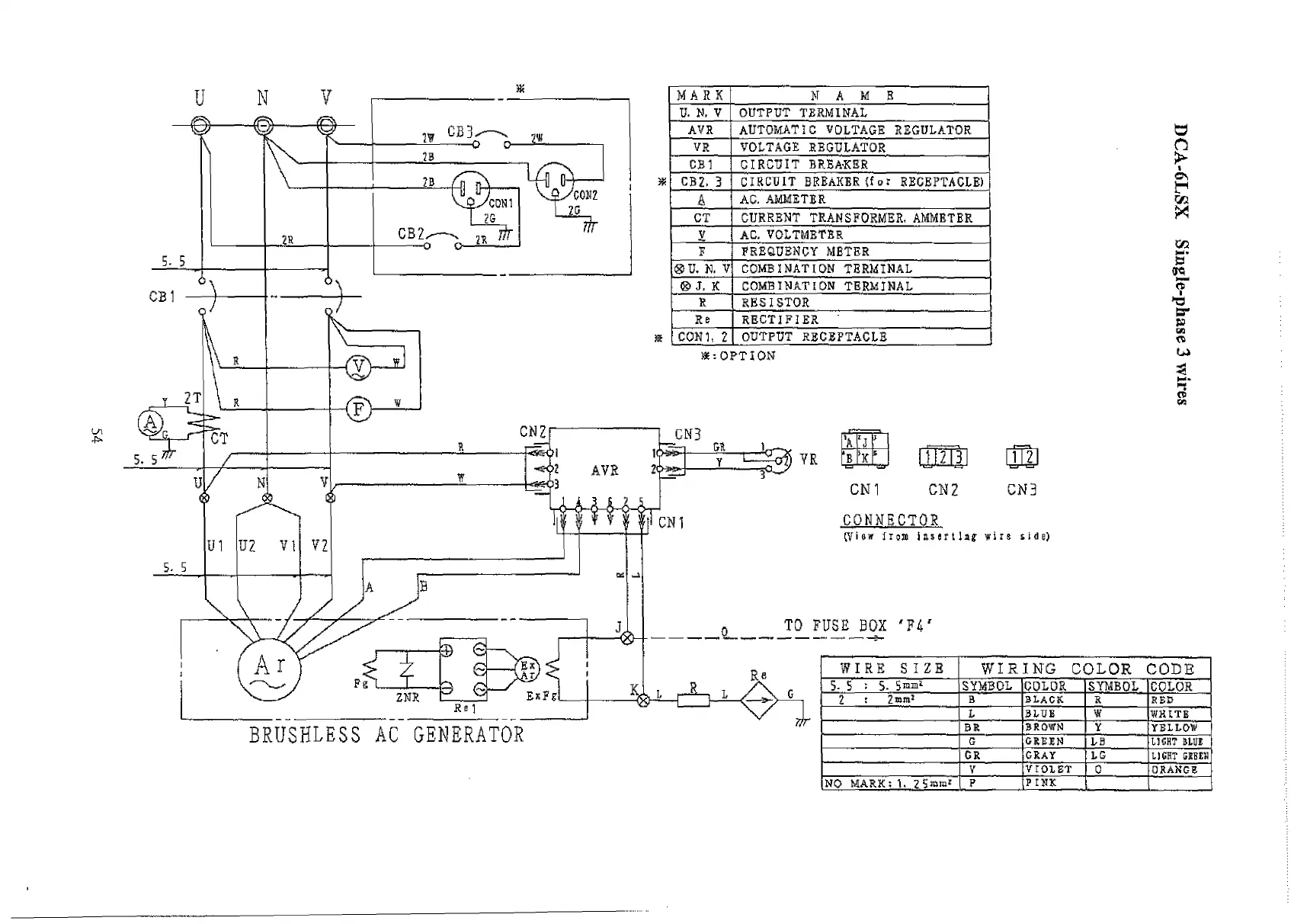
MARK NAME
U. W, V
OUTPUT TERMINAL
AVR
AUTOMATIC VOLTAGE REGULATOR
VR
VOLTAGE REGULATOR
CB1
CIRCUIT BREAKER
CB2. 3
CIRCUIT BREAKERffot RECEPTACLE)
A
AC. AMMETER
CT
CURRENT TRANSFORMER, AMMETER
V
AC. VOLTMETER
F
FREQUENCY METER
® U. N, V
COMBINATION TERMINAL
® J, к
COMBINATION TERMINAL
R
RESISTOR
Re REC TIFIER
CON 1, 2
OUTPUT RECEPTACLE
Ж:OPT I ON
A
J
Б
X
G
5. 5
U1 U2 VI
<
r'J f
CN 1
Ш В
CN2
Ш
CN3
CONNECTOR
(View i n * inserUaff wire side)
TO FUSE BOX ' F4'
a
0
>
1
Os
F
VI
X
из
»
ЙГ
I
Ъ
tr
p
OQ
u>
4
05
BRUSHLESS AC GENERATOR
WIRE SIZE
WIRING COLOR CODE
5-5 = 5.
SYMBOL
COLOR
SYMBOL
COLOR
2 : 2mm1
в
BLACK R RED
t BLUE
ЧГ
W AITE
BR
BROVTN
Y YELLOW
0 GREEN LB
UGHT BLUE
GR
GRAY LG
LIGHT ЕЕШ
V
V rO L ET
0 ORANGE
NO MARK: 1. ZSmm1
P INK

Related product manuals