EasyManua.ls Logo

Denyo DCA-6LSX - Page 60

Denyo DCA-6LSX
64 pages
Print Icon
To Next Page IconTo Next Page
To Next Page IconTo Next Page
To Previous Page IconTo Previous Page
To Previous Page IconTo Previous Page
Loading...
G\
т е
CCIU1
CONNECTOR
(View from w irin g side)
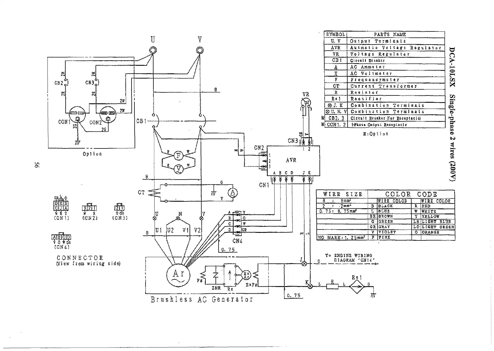
SYMBOL
PARTS NAME
U. V Output Те rm1 a a Is
AVR
AiHmatic Voltage Regulator
VR
Voltage Regulator
CB 1 Circuit Breaker
A
AC Amin в I e t
V
AC Vo I t я e t a r
F К r e q n e u с ym s t e r
CT
Current Transformer
H
R a s t s t о r
Re 1 Ra 1 1 i fi ei
® J. К
Conblnaticn Term in a. Is
® U. N. V Combination Terminals
CB2. Э
C ircuit Breaker [for ReeeptacJ й
CON 1, 2
l-Pliaia Output Receptacle
i:Op t i on
W
0
>
1
1^
CO
и
t/S
W
<*q
t
пз
fcr
SB
cn
Ф
kW
3
H*
II
(6
oa
ъ
О
WIRE SIZE
COLOR CODE
8 ; 8штг
WISE COLOR
WIRE COLOR
2 : .П1
в
BLACK
R
RBD
0. 75: 0. 15mx?
L
BLUE
W
war t e
BR. BROWN
Y
YELLOW
G GREEN
LB LIGHT BLUR
GZ
GRAY
LG LIGHT GREEN
V
V tOLBT
0
ORANGE
NO MARK: 1. 25mm1
F
PINK
To ENG IHE WISING
__q DIAGRAM JC N U J^
Re 1
В r u s h 1 e s $
Generator

Related product manuals