EasyManua.ls Logo

Denyo DCA-6LSX - Page 62

Denyo DCA-6LSX
64 pages
Print Icon
To Next Page IconTo Next Page
To Next Page IconTo Next Page
To Previous Page IconTo Previous Page
To Previous Page IconTo Previous Page
Loading...
W/R
О V/Ь
CN1
В w
Ч 1И
7
4
X
7
?
11
1 3 5 Б В 1D
17
11
1П
7
В
7
Б
Б 4 7
7
1
1
® TEMINAL BOARD
г
4
7
J К ACC 50 19 3D
(Л
сзо
а
0
>
1
04
г<
со
X
Wire Size
WIRING COLOR CODE
гг-, гг»®1
Ш
COLOR
COLOR
3 : Злщ1
в
SLACK a
2 : г mm1
i.
SLUE
Vf
1ГН 1Т Е
1. 2SM. 25ЛШ1 BR
BHDVfH
Y
YELLOW
G
GREEN
LB
LIGHT BLUB
GR
GRAY
LG
LIGHT m iv
V
VIOLET
0
ORANGE
NO MARK:0. 15mm:
p
PINK
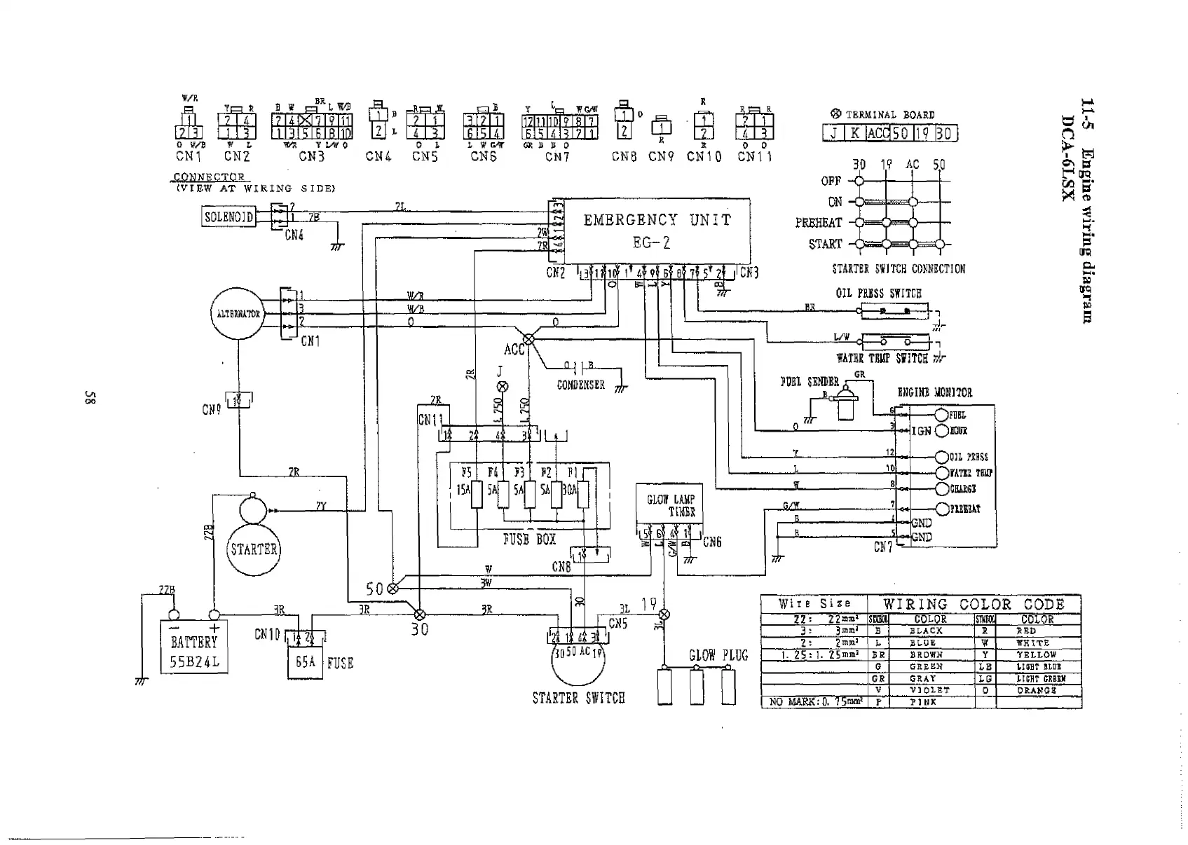
11-5 Engine wiring diagram

Related product manuals