EasyManua.ls Logo

Denyo DCA-6LSX - Page 63

Denyo DCA-6LSX
64 pages
Print Icon
To Next Page IconTo Next Page
To Next Page IconTo Next Page
To Previous Page IconTo Previous Page
To Previous Page IconTo Previous Page
Loading...
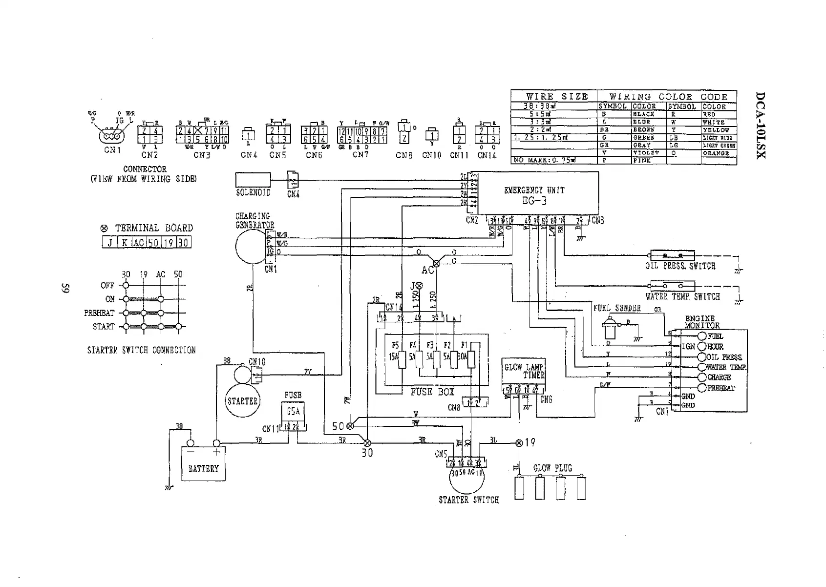
WIRE SIZE
WIRING COLOR CODE
3 8 = 3 Bmf
SYMBOL
COLOR
SYMBOL
COLOR
S ; Sni
В BLACK
E
RED
3 : ЭЫ
L
BLUE
W WHITE
2 : 2rf BH
BROWN ¥ YELLOW
1. 2 5:1. 2 S irf G
GREEW
LB
г г ш BLua
GS
GRAY
LG
ШХТ ШВ1Г
V VIOLET 0
ORANGE
NO MARK:0. 75"f
?
P] UK
050АСЖ
STARTER SWITCH
DCA-IOLSX

Related product manuals