EasyManua.ls Logo

Denyo DF-0140K - Page 54

Denyo DF-0140K
61 pages
Print Icon
To Next Page IconTo Next Page
To Next Page IconTo Next Page
To Previous Page IconTo Previous Page
To Previous Page IconTo Previous Page
Loading...
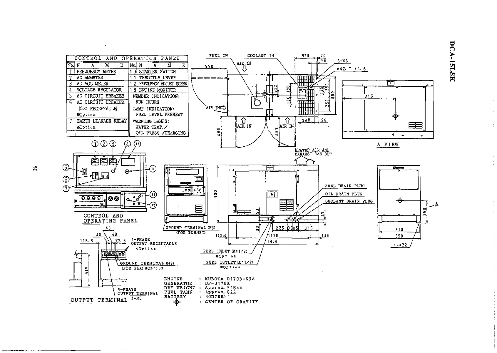
CONTROL AND O PERA T ION PANEL
No.
NA ME No.
NAME
1
FREQUENCY METER
1 Q STARTER SWITCH
г
AC AMMETER 1 1 THROTTLE LEVER
3
AC VOLTMETER
1 2
FREQUENCY ADJUST SCREW
4
VOLTAGE REGULATOR
1 3
ENGINE MONITOR
S
AC CIRCUIT BREAKER
NUMBER INDICATION;
RUN HOURS
LAMP INDICATION;
FURL LEVEL. PREHEAT
WARNING LAMPS:
WATER TEMP. /
OIL PRESS. /CHARGING
6
AC CIRC U IT BREAKER
(for RECEPTACLE)
Ш р ! ion
7
EARTH LEAKAGE RELAY
SiOpt ion
FUEL ГК
COOLANT I И
S-M8
#42. 7 t 1. 6
+
Ш
-1
BIS
- i
*-
+
«4. +
A Y I E W
HEATED AIR AMP
EXHAUST GAS OUT
CONTROL AND
OPERATING PANEL
r
EL
1 2 b
/ ground t er m in a l cmbi
(FOR BONNET)
1-PHASE
OUTPUT RECEPTACLE
WOP t 1 o n
GROUND T E RM IN A L IMS)
[FOR Е Ш EO p O »
FUEL DRAIN PLUG
OIL DRAIN PLUG
COOLANT DRAIN PLUG
д щ а
i+)
4
J
j. 510 1\
650 / .
4-022
Э-PHASE
OUTPUT TERMINAL
OUTPUT TERMINAL i_MB
ENGINE
GENERATOR
DRY WEIGHT
FUEL TANK
BATTERY
FUEL INLET G U I/2)
Ж0(> 1 1 in
FUEL OUTLET K M /2 )
ssop 11 m
KUBOTA D 17D 3-K 3A
D F -D 17 OK
A p p ro * . 5 1 6 k g
А р р т о х . 62 L
B 0D 26 R * 1
CENTER OF GRAVITY

Related product manuals