EasyManua.ls Logo

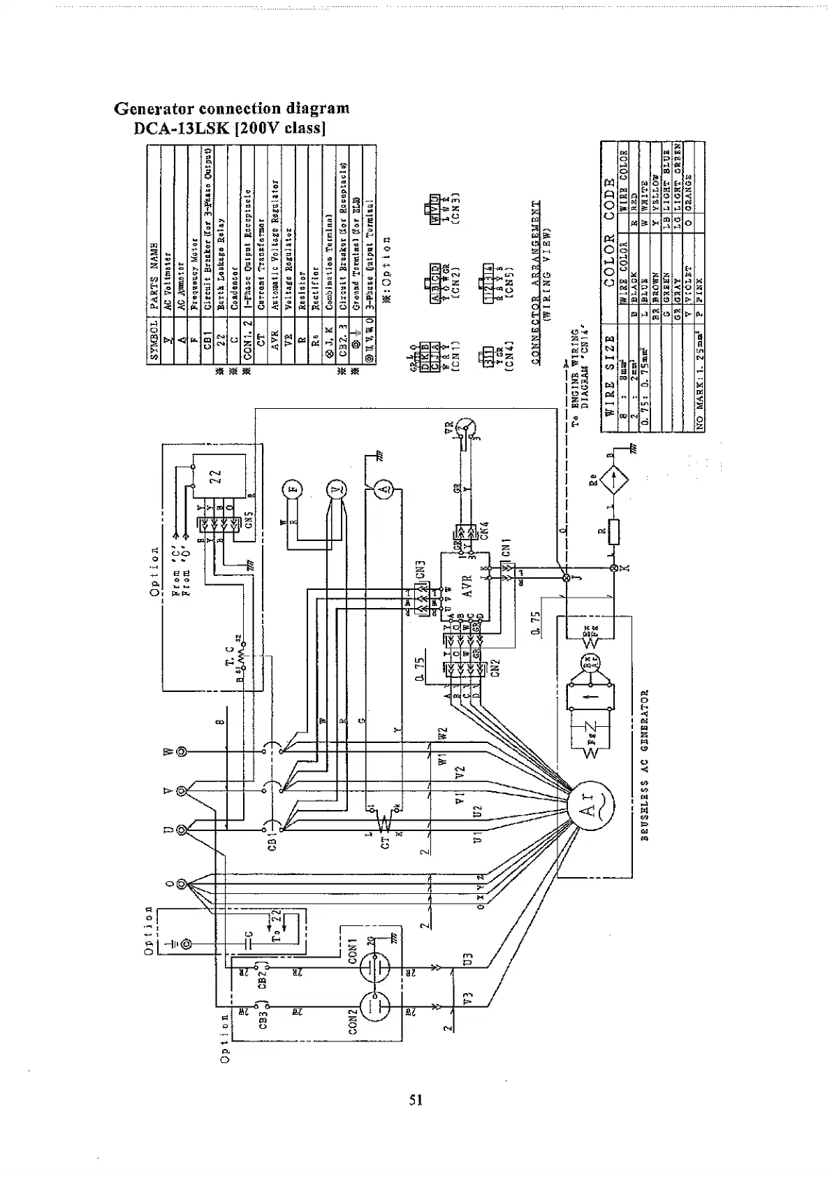
Denyo DF-0140K - Generator connection diagram DCA-13 LSK [200 V class]

Denyo DF-0140K
61 pages
Print Icon
To Next Page IconTo Next Page
To Next Page IconTo Next Page
To Previous Page IconTo Previous Page
To Previous Page IconTo Previous Page
Loading...
O p t i
Generator connection diagram
DCA-I3LSK [200V class]
О
51

Related product manuals