EasyManua.ls Logo

Depa DH50-FA - 5.3.1.5 External Q-Control Valve Replacement; 5.3.1.6 DEPA AirSave System Replacement; 5.3.1.7 Pressure Booster (DB Series) Assembly;Disassembly; 5.3.2 Series DH-FA;SA;SS Maintenance

Default Icon
56 pages
Print Icon
To Next Page IconTo Next Page
To Next Page IconTo Next Page
To Previous Page IconTo Previous Page
To Previous Page IconTo Previous Page
Loading...
30
DEPA
®
Air Operated Diaphragm Pumps
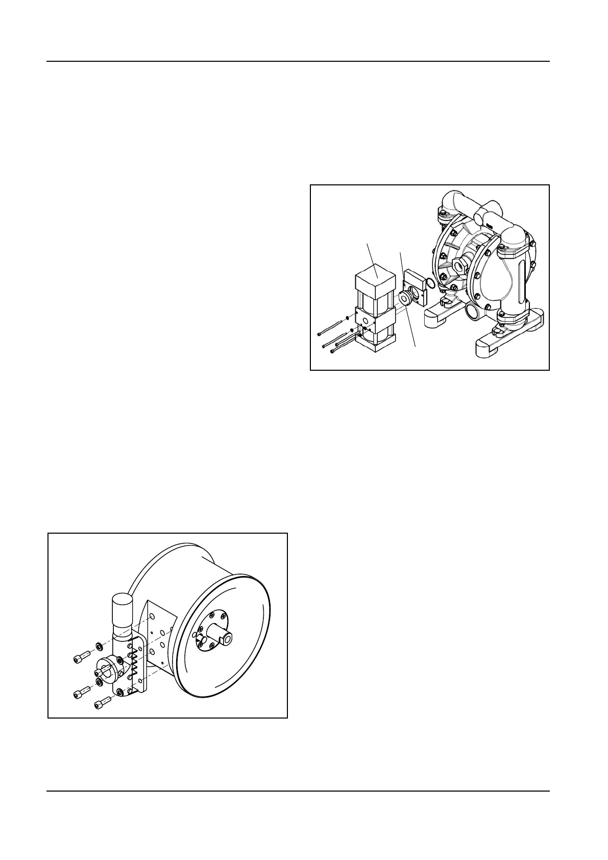
control block. Now you can detach the
complete control valve from the control
block. This is also possible without dis-
assemblingthepumprst!(Fig.19).
5.3.1.7 Assembling and disassembling
the pressure booster (DB series)
Assembly:
First, connect plate (C) with threaded
socket (A) to pump. Special tool is requi-
red for (A).
Mount the pressure booster (B) to the
plate (C) using the 4 cheese head
screws.
Disassembly:
Loosen the cheese head screws
Loosen the pressure booster (B)
Loosen the threaded socket A and plate C
5.3.2 Series DH-FA/SA/SS
5.3.2.1 Replacement of elastomer
components
See information provided under 5.3.1.1.
prevent the O-rings being damaged by
the recess in the bore the O-rings must
not be pushed past the recess. For this
purpose an O-ring is pushed over the
bushing, the bushing is then inserted
into the bore with the side without
O-ring and pressed in until the groove
becomes visible on the opposite side.
Now the second O-ring is placed into
the groove and the complete bushing is
pressedushintothebore.
The piston rod is only delivered com-
pletely assembled with shell and O-rings.
Replacement of the shell rings is not
possible for technical reasons.
5.3.1.5 Replacement of the external
Q-control valve
Loosen four fastening screws on the
control block. Now you can pull out the
complete control valve with pilot control.
This is also possible without disassem-
bling the pump (Fig. 18).
5.3.1.6 Replacement of the outside DEPA
AirSave System (DL15/25/40)
Loosen four mounting screws on the
Fig. 19: DEPA AirSave System (DL15/25/40)
Fig. 20:
B
C
A

Table of Contents

Related product manuals