EasyManua.ls Logo

DeVilbiss iGo 306 SERIES - Page 19

DeVilbiss iGo 306 SERIES
32 pages
Print Icon
To Next Page IconTo Next Page
To Next Page IconTo Next Page
To Previous Page IconTo Previous Page
To Previous Page IconTo Previous Page
Loading...
LT-2044
19
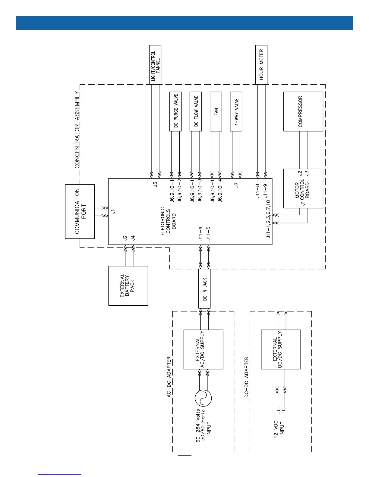
FIGURES, DIAGRAMS AND VIEWS
Figure 2 - Wiring Diagram

Related product manuals