EasyManua.ls Logo

DeVilbiss iGo 306 SERIES - Figures, Diagrams, and Views; Symbols & Definitions; Diagrams

DeVilbiss iGo 306 SERIES
32 pages
Print Icon
To Next Page IconTo Next Page
To Next Page IconTo Next Page
To Previous Page IconTo Previous Page
To Previous Page IconTo Previous Page
Loading...
18
LT-2044
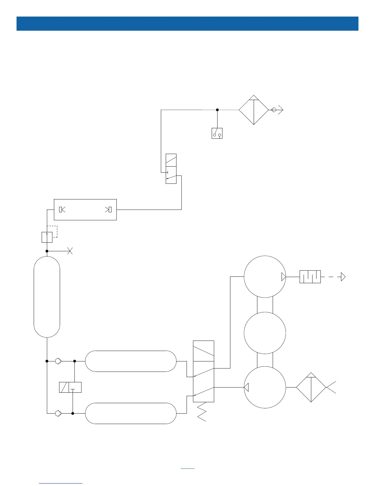
FIGURES, DIAGRAMS AND VIEWS
5 PSI
REGULATOR
AIR INLET
PRESSURE
HEAD
INTAKE
FILTER
SILENCER
AIR
OUTLET
MUFFLER
4-PORTED FOUR
WAY VALVE COMMON
EXHAUST
MOTOR
VACUUM
HEAD
SIEVE
BED
TANK 1
2-WAY
VALVE
CHECK
VALVE
PRESSURE TAP
FOR TRANSDUCER
IGO MODEL 306 PNEUMATIC
SCHEMATIC
SIEVE
BED
TANK 2
ACCUMULATOR
TANK
CHECK
VALVE
TO PATIENT
PRESSURE
SWITCH
FINAL
BACTERIA
FILTER
2 WAY PROPORTIONAL VALVE
OXYGEN
SENSOR
CHECK VALVE
Figure 1 - Pneumatic Diagram

Related product manuals