EasyManua.ls Logo

DeVilbiss JGHV-530 - Page 3

DeVilbiss JGHV-530
4 pages
Print Icon
To Next Page IconTo Next Page
To Next Page IconTo Next Page
To Previous Page IconTo Previous Page
To Previous Page IconTo Previous Page
Loading...
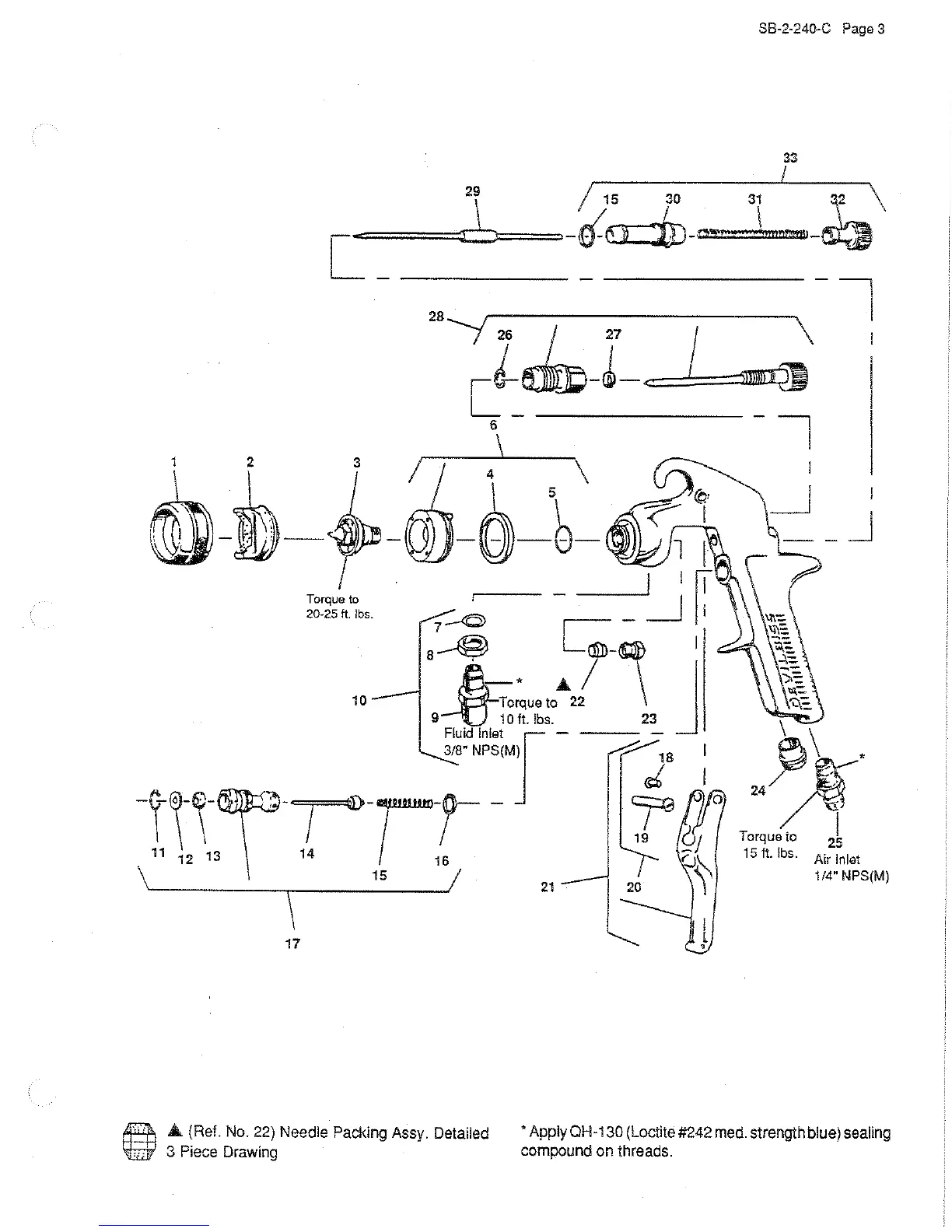
29
\
21
17
SB-2-240-C
Page
3
33
I
_jl
__
_j
~
.&.
(Ref.
No.
22)
Needle Packing
Assy.
Detailed Apply0H-130(Loctite#242med.strengthblue)sealing
t.1
3
Piece
Drawing
compound on threads.

Related product manuals