EasyManua.ls Logo

DeWalt D25871 - Page 3

DeWalt D25871
32 pages
To Next Page IconTo Next Page
To Next Page IconTo Next Page
To Previous Page IconTo Previous Page
To Previous Page IconTo Previous Page
Loading...
1
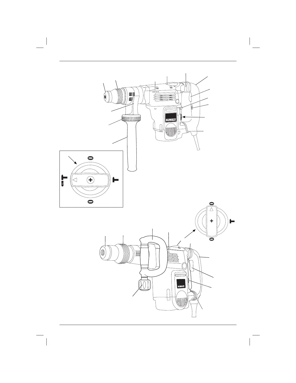
Figure 1
1 ﻞﻜﺷ
D25721/D25723
f
e
a
g
b
e
c
h
d
i
o
l
t
f
w
a
g
f
c
e
p
d
l
o
w
e
D25871

Other manuals for DeWalt D25871

Related product manuals