EasyManua.ls Logo

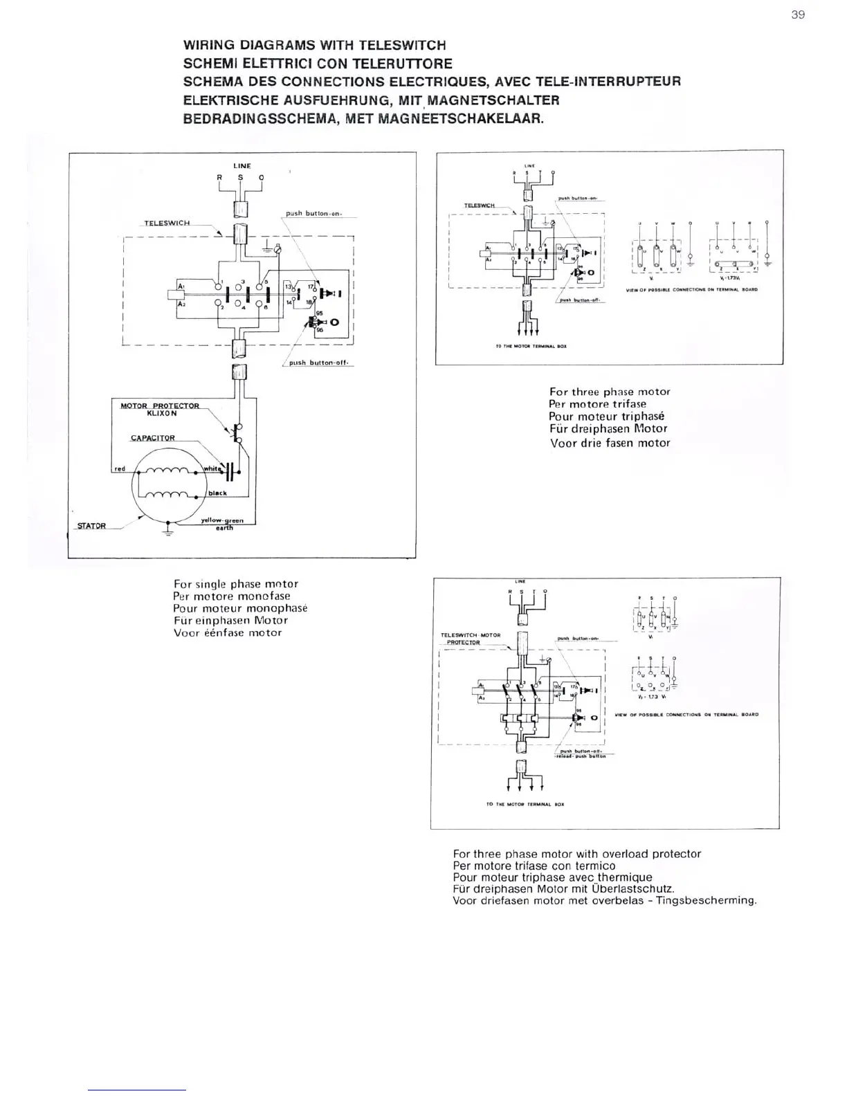
DeWalt DW 1150 - WIRING DIAGRAMS WITH TELESWITCH; Teleswitch Electrical Connections

DeWalt DW 1150
44 pages
Print Icon
To Next Page IconTo Next Page
To Next Page IconTo Next Page
To Previous Page IconTo Previous Page
To Previous Page IconTo Previous Page
Loading...

Other manuals for DeWalt DW 1150

Related product manuals