EasyManua.ls Logo

DeWalt DXGN6000 - Page 51

DeWalt DXGN6000
56 pages
To Next Page IconTo Next Page
To Next Page IconTo Next Page
To Previous Page IconTo Previous Page
To Previous Page IconTo Previous Page
Loading...
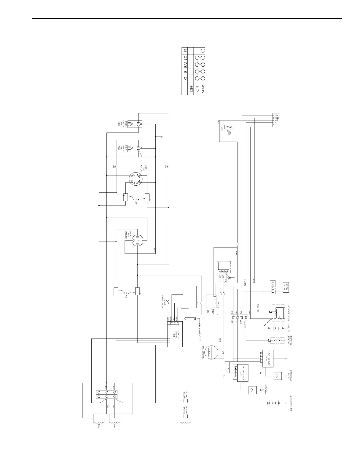
Section 5 Electrical Data
Diagnostic Repair Manual 47
Wiring Diagram and Electrical Schematic, DXGN14000
004431

Table of Contents

Related product manuals