EasyManua.ls Logo

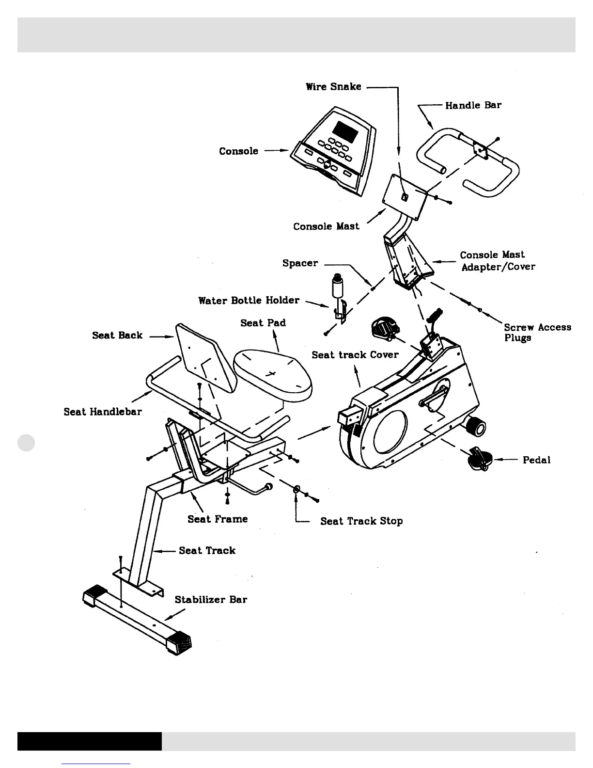
Diamondback 1100 U - 1100 R Assembly Drawing

Diamondback 1100 U
24 pages
Print Icon
To Next Page IconTo Next Page
To Next Page IconTo Next Page
To Previous Page IconTo Previous Page
To Previous Page IconTo Previous Page
Loading...
6
1100R Assembly Drawing

Related product manuals