EasyManua.ls Logo

Dimplex BWP 30 HLW - Warmwasser-Wärmepumpen ohne Innerem Wärmetauscher; Hot-Water Heat Pumps Without Internal Heat Exchanger; Pompes À Chaleur Pour Eau Chaude Sans Échangeur Thermique Intégré

Dimplex BWP 30 HLW
21 pages
Print Icon
To Next Page IconTo Next Page
To Next Page IconTo Next Page
To Previous Page IconTo Previous Page
To Previous Page IconTo Previous Page
Loading...
A-VI
Anhang · Appendix · Annexes
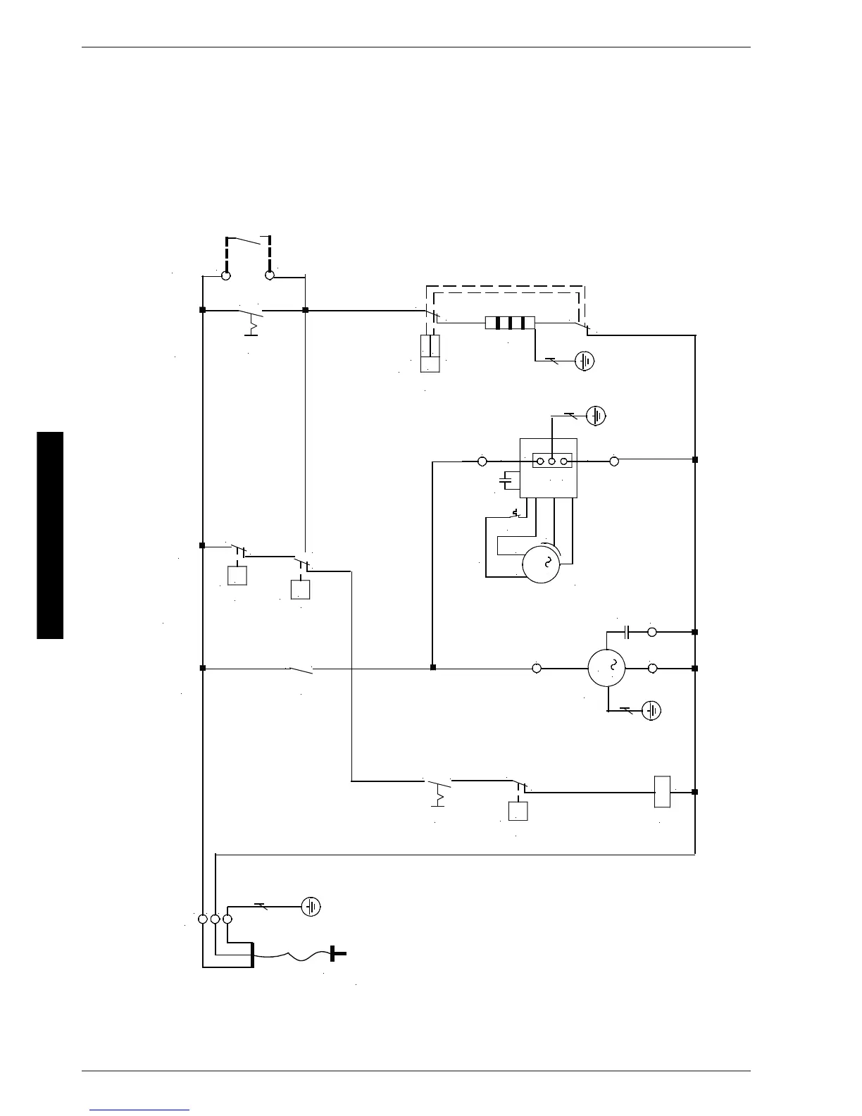
2.2
2.2 Warmwasser-Wärmepumpen ohne innerem Wärmetauscher / Hot-
Water Heat Pumps without Internal Heat Exchanger / Pompes à chaleur
pour eau chaude sans échangeur thermique intégré
;
$
.
$
$
&
0
0
/
1
EO

3(
3
)
&
EQ
.

0
;
&
;
0
/13(9$&+]
;
3!)
EDU
;
/
3(
1
7
%
.


&


(
%
)

&
75
67%
&
7!
&

6
6
7!
%
&
;
;
JUQJHOE
*UHHQ\HOORZ
YHUWMDXQH
VFKZDU]
%ODFN
QRLU
:lUPHSXPSH
+HDWSXPS
3RPSHjFKDOHXU
(OHNWUR+HL]VWDE
(OHFWULFKHDWLQJHOHPHQW
&DUWRXFKHFKDXIIDQWHpOHFWULTXH
9HUGLFKWHU
&RPSUHVVRU
&RPSUHVVHXU
9HQWLODWRU
9HQWLODWRU
9HQWLODWHXU
3RW
IUHLHU.RQWDNW
IU+HL]VWDEDQVW
)ORDWLQJFRQWDFW
IRUKHDWLQJHOHPHQWFRQWURO
&RQWDFWOLEUHGHSRWHQWLHO
SRXUFRPPDQGHFDUWRXFKHFKDXII

9$&PLQ$

Table of Contents

Related product manuals