EasyManua.ls Logo

Dimplex LAW 6IMR - Page 79

Dimplex LAW 6IMR
Print Icon
To Next Page IconTo Next Page
To Next Page IconTo Next Page
To Previous Page IconTo Previous Page
To Previous Page IconTo Previous Page
Loading...
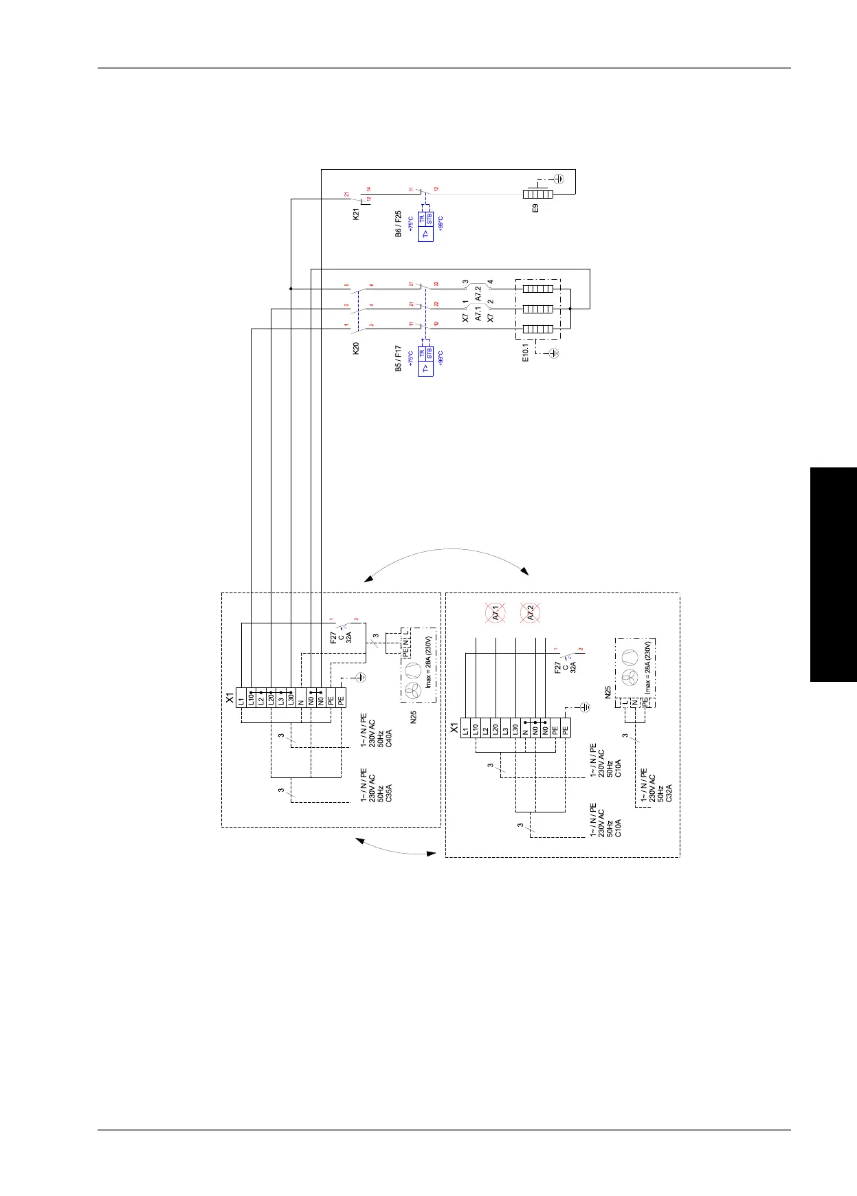
www.dimplex.de 452162.66.04 · FD 9606 A-XV
Anhang · Appendix · Annexes
LAW 6IMR - LAW 14ITR
3.8 Last / Load / Puissance LAW 14IMR

Table of Contents

Related product manuals