EasyManua.ls Logo

Dimplex LAW 6IMR - Page 80

Dimplex LAW 6IMR
Print Icon
To Next Page IconTo Next Page
To Next Page IconTo Next Page
To Previous Page IconTo Previous Page
To Previous Page IconTo Previous Page
Loading...
A-XVI 452162.66.04 · FD 9606 www.dimplex.de
Anhang · Appendix · Annexes
LAW 6IMR - LAW 14ITR
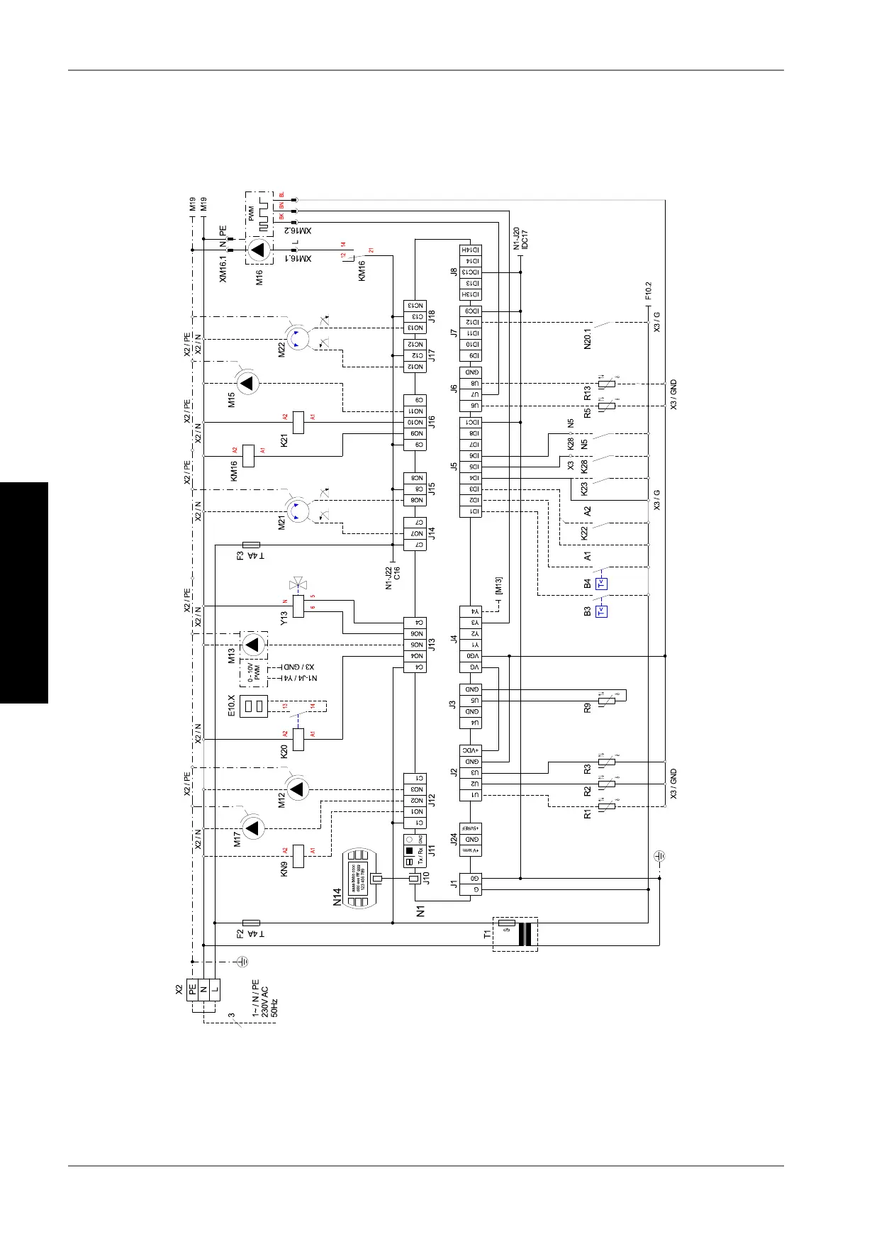
3.9 Anschlussplan / Circuit diagram / Plan de branchement électrique
LAW 14IMR

Table of Contents

Related product manuals