EasyManua.ls Logo

Dimplex SI 5TE - Last; Load; Charge si 21 TE

Dimplex SI 5TE
32 pages
Print Icon
To Next Page IconTo Next Page
To Next Page IconTo Next Page
To Previous Page IconTo Previous Page
To Previous Page IconTo Previous Page
Loading...
A-XVI
Anhang · Appendix · Annexes
3.6
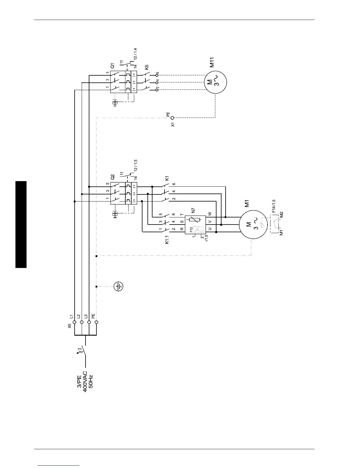
3.6 Last / Load / Charge SI 21TE

Table of Contents

Related product manuals