EasyManua.ls Logo

DINGLI JCPT1523DC - Page 63

DINGLI JCPT1523DC
66 pages
Print Icon
To Next Page IconTo Next Page
To Next Page IconTo Next Page
To Previous Page IconTo Previous Page
To Previous Page IconTo Previous Page
Loading...
OPERATORS MANUAL with Maintenance Information
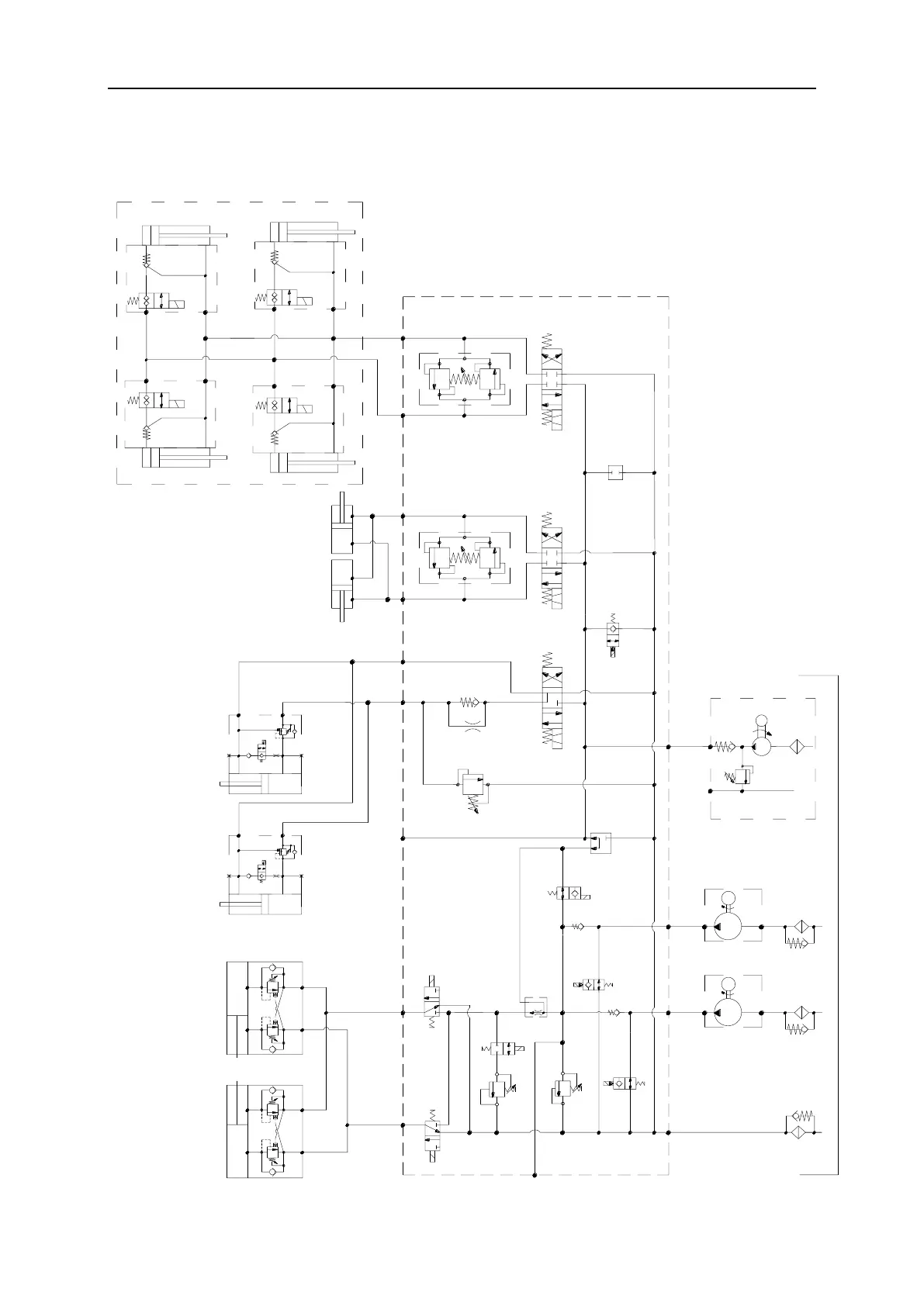
Schematic
58
Hydraulic Schematic (JCPT1823DC)
CP1
DS1
CV1
ORF1
SV3
CR1
CR2
DS1a
DS1b
SV3a
SV3b
DS2
DS2a
DS2b
140bar
100bar
LEV2
LEV1
S2
S1
L2
L1
TP2
AUXP
CP2
SV8
S
W
SV7
SV10
SV9
S
W
V1
V2
V1
V2
L
R
SV2
62bar
T
FR1
RV3
SV1.1
SV1.2
PC4
PC2
PC1
PC3
T
P
M
SV5.1
CV2.1
SV5.2
CV2.2
SV4
SV6
Emergency
Pump
Pump
Filter
Filter
Tank
Filter
Pump
Function valve
Swing valve
Swing valve
Swing Cylinder
Swing Cylinder
Lift valve
S
W
S
W
M
ORF2
ORF3
M
230bar
RV1
M
P1
P2
210bar
RV2
Lower lift
cylinder
Lift valve
Upper lift
cylinder
Outrigger Valve
RF Outrigger Cylinder
RR Outrigger Cylinder
LF Outrigger Cylinder
LR Outrigger Cylinder
Outrigger Valve
Outrigger Valve
Outrigger Valve
Steer Cylinder
Steer Cylinder
S
W
CB1
250bar
TP1
TP2
SV11
CV3
S
W
CB2
155bar
TP1
TP2
SV12
CV4

Related product manuals