EasyManua.ls Logo

DIP DK-30 - Coffee Grinder

DIP DK-30
17 pages
Print Icon
To Next Page IconTo Next Page
To Next Page IconTo Next Page
To Previous Page IconTo Previous Page
To Previous Page IconTo Previous Page
Loading...
www.dipgrinders.ro • office@dipgrinders.ro 13
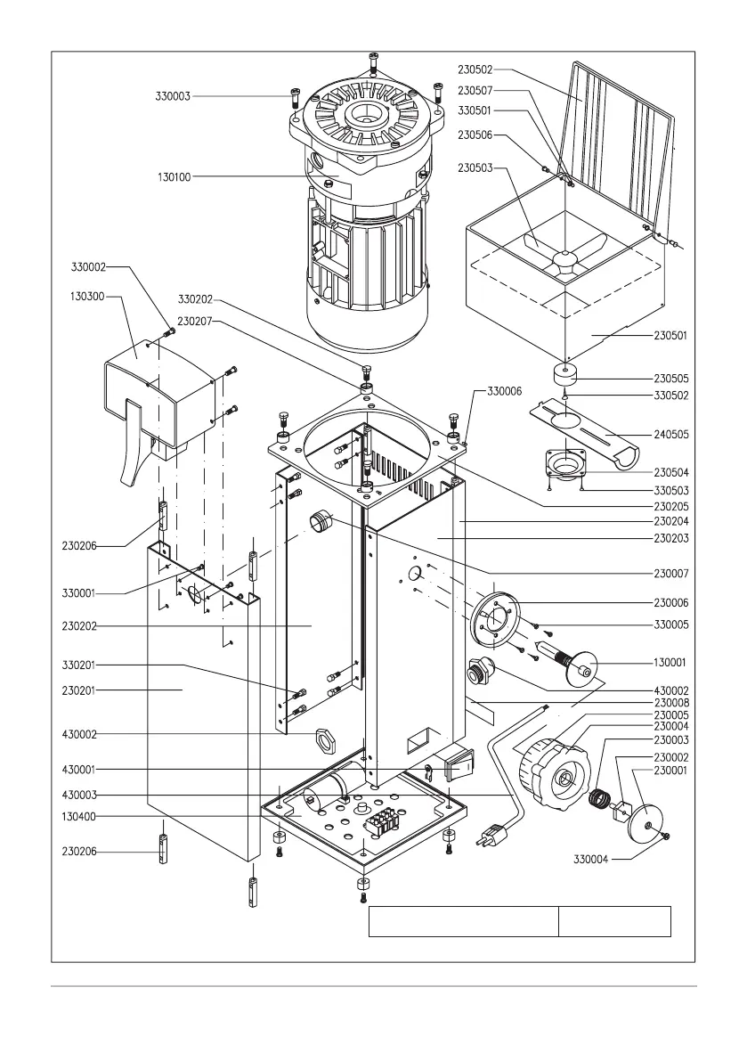
COFFEE GRINDER 130000