EasyManua.ls Logo

DIP DS-68 - Electrical Scheme

DIP DS-68
27 pages
Print Icon
To Next Page IconTo Next Page
To Next Page IconTo Next Page
To Previous Page IconTo Previous Page
To Previous Page IconTo Previous Page
Loading...
26
Kinematic scheme - DS - 68
www.dipgrinders.ro • office@dipgrinders.ro
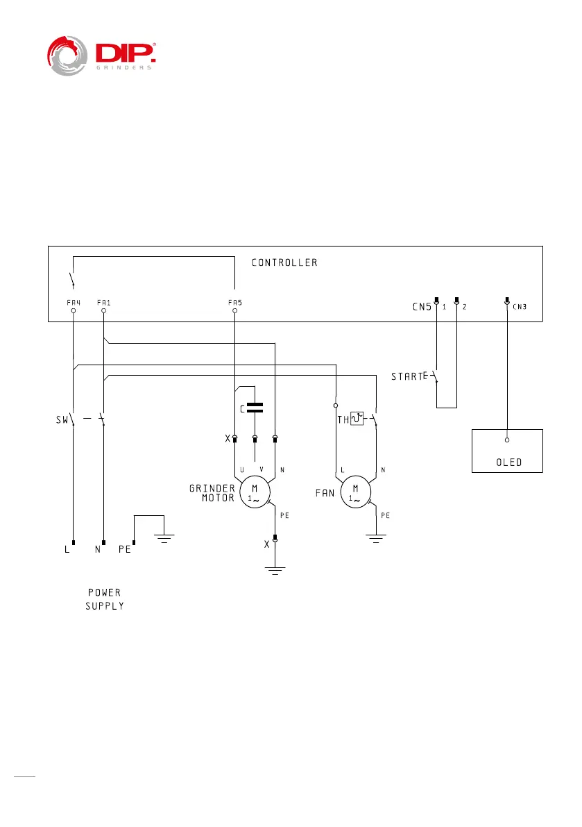
Electrical scheme

Related product manuals