EasyManua.ls Logo

dirna Bergstrom DAF Cool Ultimate - Schemat Elektryczny

dirna Bergstrom DAF Cool Ultimate
Print Icon
To Next Page IconTo Next Page
To Next Page IconTo Next Page
To Previous Page IconTo Previous Page
To Previous Page IconTo Previous Page
Loading...
PL
DAF COOL ULTIMATE
37
WSZYSTKIE MODELE Z ORYGINALNYM GNIAZDEM WE WŁAZIE
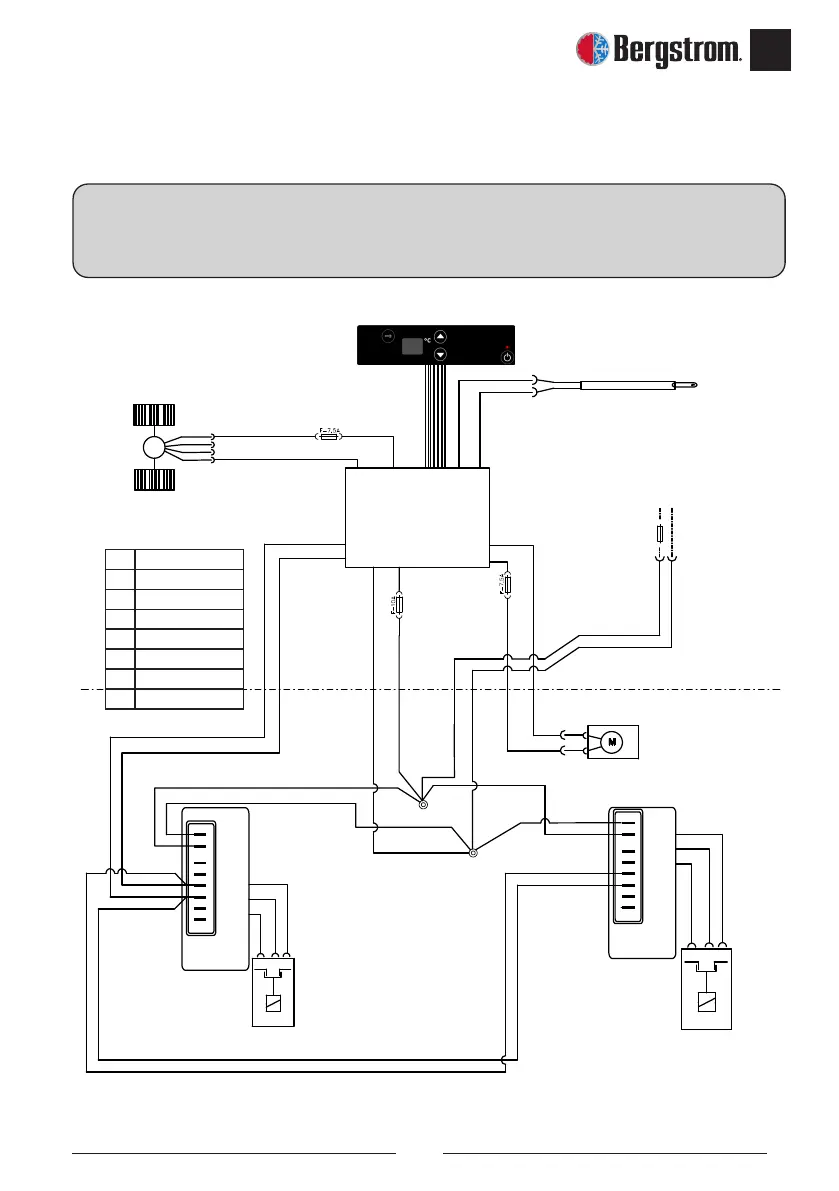
Schemat elektryczny
N
N
N
N
Na
N
B
M
M
R
B
B
M
-
+
+
R
M
F
I
C
P
T
-
+
+
F
I
C
P
T
R
M
NR
NR
R
R
M
N
Az
Na
R
A
N
R B
M
B
B
M
M
M
B
M
B
R
R
B
M
Az Niebieski
N Czarny
R Czerwony
V Zielony
B Cel
A Zółty
Na Pomarańczowy
M Brown
Czujnik powietrza
powrotnego
Sterowanie
elektroniczne
Dmuchawa
odśrodkowa
Wentylator
kondensatora
Moduł
kontrolny
sprężarki
Moduł
kontrolny
sprężarki
Bezpiecznik 25A
(w oryginalnej skrzynce
bezpiecznikowej)
Sprężarka
Sprężarka
2 Amp.
PWM.
NTC 15KΩ a 25º
Zużycie energii 30 mAmp.
4 Amp.
WAŻNA INFORMACJA!
Należy uważać, aby nie pomylić biegunów podczas podłączania zasilania do urządzenia. Wyświetlacz
się nie włączy, a urządzenie nie będzie działać.

Other manuals for dirna Bergstrom DAF Cool Ultimate

Related product manuals