EasyManua.ls Logo

dirna Bergstrom DAF Cool Ultimate - Elektrisch Schema

dirna Bergstrom DAF Cool Ultimate
Print Icon
To Next Page IconTo Next Page
To Next Page IconTo Next Page
To Previous Page IconTo Previous Page
To Previous Page IconTo Previous Page
Loading...
NL
DAF COOL ULTIMATE
49
ALLE MODELLEN MET ORIGINELE INLAAT VIA HET LUIK
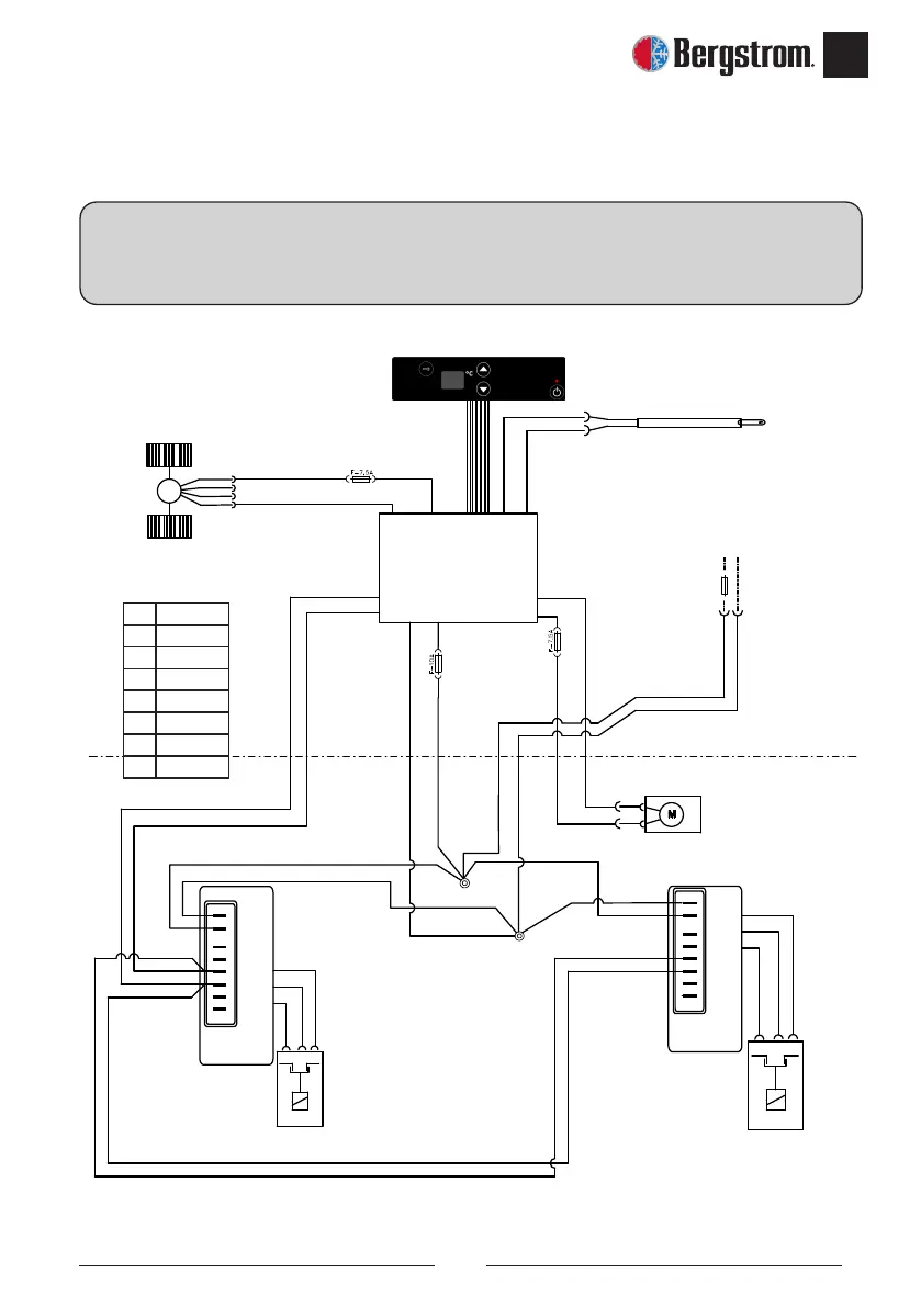
Elektrisch schema
N
N
N
N
Na
N
B
M
M
R
B
B
M
-
+
+
R
M
F
I
C
P
T
-
+
+
F
I
C
P
T
R
M
NR
NR
R
R
M
N
Az
Na
R
A
N
R B
M
B
B
M
M
M
B
M
B
R
R
B
M
Az Blauw
N Zwart
R Rood
V Groen
B Doel
A Geel
Na Oranje
M Bruin
Hercirculatiesonde
Elektronische
printplaat
Blazer
Wentylator
kondensatora
Besturingseenheid
van de
Compressor
Besturingseenheid
van de
Compressor
Zekering 25A
(In originele zekeringkasst)
Compressor
Compressor
2 Amp.
PWM.
NTC 15KΩ a 25º
Elektrisch verbruik 30 mAmp.
4 Amp.
ERG BELANGRIJK!
Let op dat de polariteit van de aansluiting van de voeding op het apparaat niet verwisseld wordt. De
display zal in dat geval niet inschapelen en het apparaat zal niet werken.

Other manuals for dirna Bergstrom DAF Cool Ultimate

Related product manuals