EasyManua.ls Logo

dirna Bergstrom TRP Compact - Esquema Eléctrico; Aviso Importante

dirna Bergstrom TRP Compact
Print Icon
To Next Page IconTo Next Page
To Next Page IconTo Next Page
To Previous Page IconTo Previous Page
To Previous Page IconTo Previous Page
Loading...
ES
COMPACT
®
6
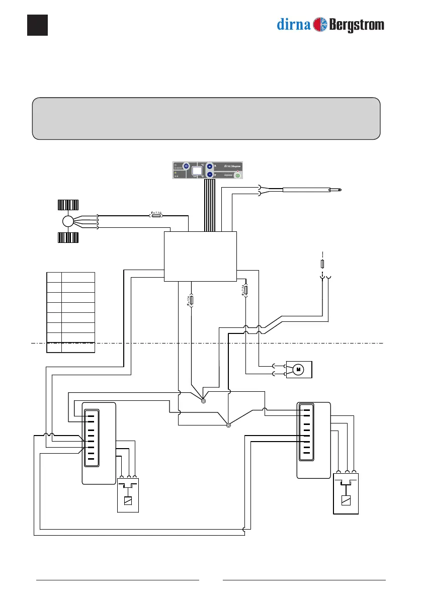
TODOS LOS MODELOS CON TOMA ORIGINAL EN ESCOTILLA
Esquema eléctrico
¡AVISO IMPORTANTE!
Precaución de no invertir las polaridades al conectar la alimentación en el equipo el display no se
enciende y el equipo no funciona.
N
N
N
N
Na
N
B
M
M
R
B
B
M
-
+
+
R
M
F
I
C
P
T
-
+
+
F
I
C
P
T
R
M
NR
NR
R
R
M
N
Az
Na
R
A
N
R B
M
B
B
M
M
M
B
M
B
R
R
B
M
R
B
Az Azul
N Negro
R Rojo
V Verde
B Blanco
A Amarillo
Na Naranja
M Marrón
Sensor
aire de retorno
Control
electrónico
Soplador
centrífugo
Ventilador del
condensador
Módulo
electrónico
Compresor
Módulo
electrónico
Compresor
Fusible 25A
(en caja de fusibles
original)
Compresor
Compresor
2 Amp.
PWM.
NTC 15KΩ a 25º
Consumo 30 mAmp.
4 Amp.

Related product manuals