EasyManua.ls Logo

dirna Bergstrom TRP Compact - Schéma Électrique; Avis Important

dirna Bergstrom TRP Compact
Print Icon
To Next Page IconTo Next Page
To Next Page IconTo Next Page
To Previous Page IconTo Previous Page
To Previous Page IconTo Previous Page
Loading...
FR
COMPACT
®
22
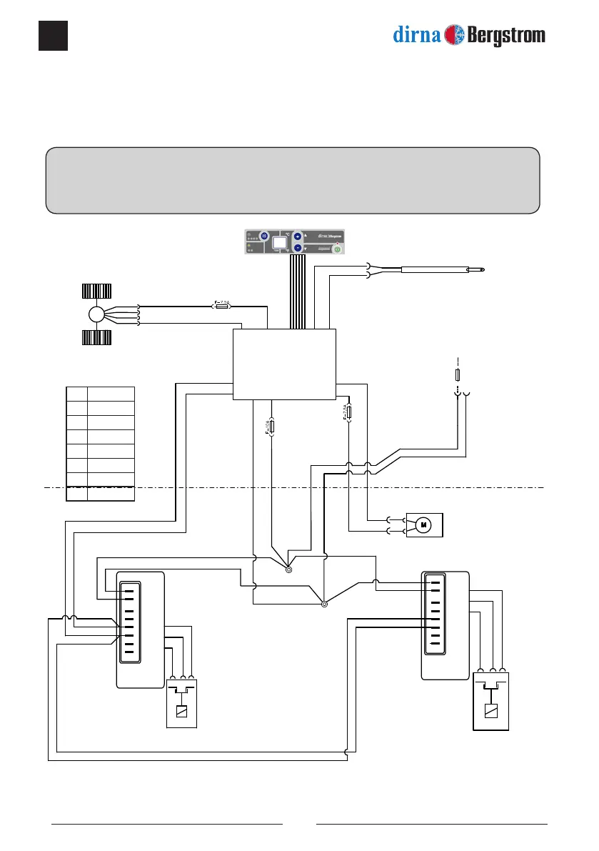
TOUS LES MODÈLES AVEC PRISE ORIGINALE DANS ÉCOUTILLE
Schéma électrique
AVIS IMPORTANT!
Veiller à ne pas inverser les polarités lors du branchement de l’alimentation sur l’appareil, l’afchage ne
s’allume pas et l’appareil ne fonctionne pas.
N
N
N
N
Na
N
B
M
M
R
B
B
M
-
+
+
R
M
F
I
C
P
T
-
+
+
F
I
C
P
T
R
M
NR
NR
R
R
M
N
Az
Na
R
A
N
R B
M
B
B
M
M
M
B
M
B
R
R
B
M
R
B
Az Bleu
N Noir
R Rouge
V Vert
B Blanc
A Jaune
Na Orange
M Marron
Capteur
air de retour
Contrôle
électronique
Soufeur
centrifuge
Ventilateur du
condenseur
Commande
électronique
compresseur
Commande
électronique
compresseur
Fusible 25A
(dans la boîte
à fusibles originale)
Compresseur
Compresseur
2 Amp.
PWM.
NTC 15KΩ a 25º
Consommation
électrique30 mAmp.
4 Amp.

Related product manuals