EasyManua.ls Logo

dirna Bergstrom TRP Compact - Esquema Eléctrico; Aviso Importante

dirna Bergstrom TRP Compact
Print Icon
To Next Page IconTo Next Page
To Next Page IconTo Next Page
To Previous Page IconTo Previous Page
To Previous Page IconTo Previous Page
Loading...
PT
COMPACT
®
78
TODOS OS MODELOS COM DERIVAÇÃO ORIGINAL NA ESCOTILHA
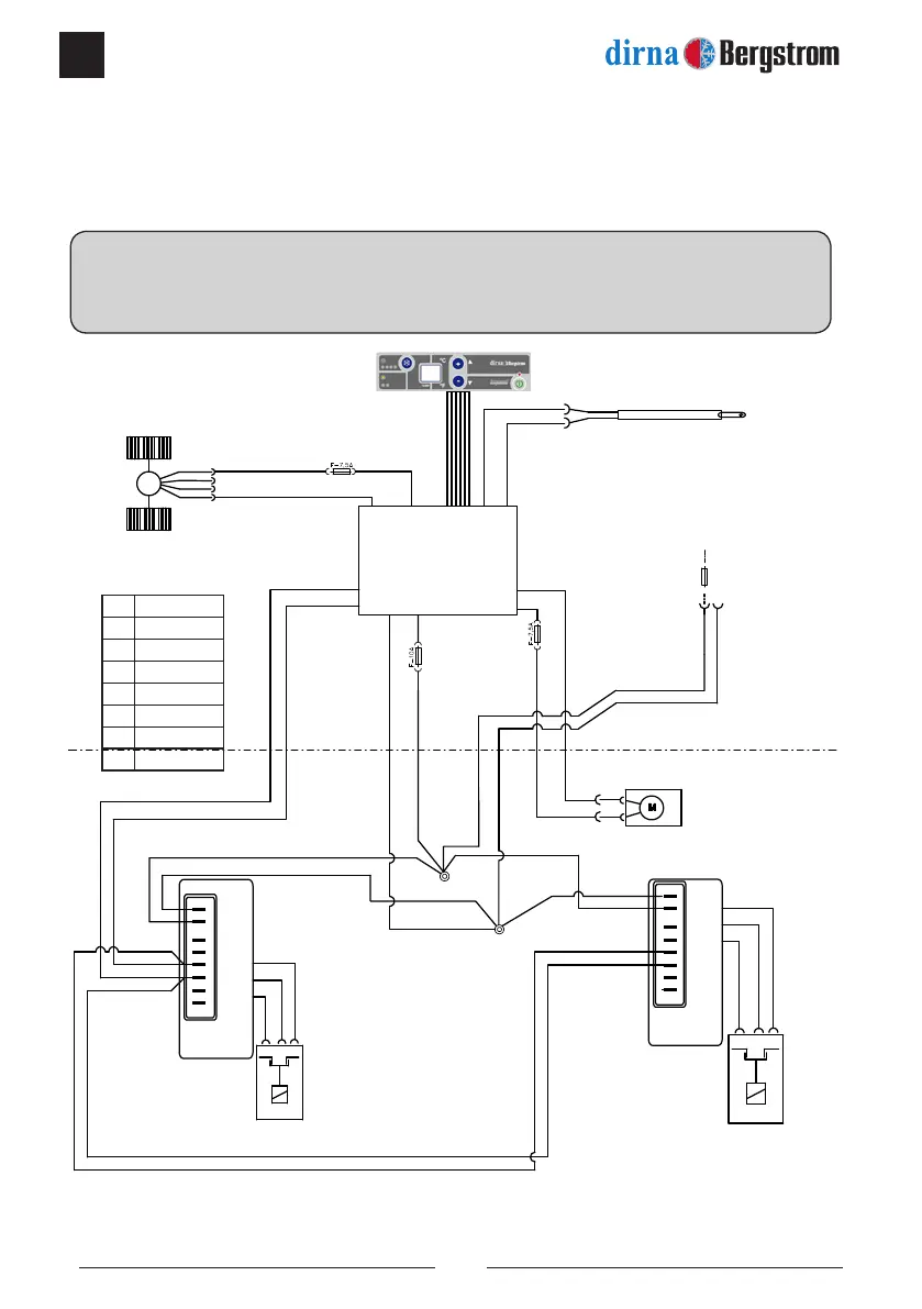
Esquema eléctrico
AVISO IMPORTANTE!
Tenha o cuidado de não inverter as polaridades ao ligar a alimentação no equipamento; o visor não se
liga e o equipamento não funciona.
N
N
N
N
Na
N
B
M
M
R
B
B
M
-
+
+
R
M
F
I
C
P
T
-
+
+
F
I
C
P
T
R
M
NR
NR
R
R
M
N
Az
Na
R
A
N
R B
M
B
B
M
M
M
B
M
B
R
R
B
M
R
B
Az Azul
N Preto
R Vermelho
V Verde
B Branco
A Amarelo
Na Laranja
M Castanho
Sensor do
ar de retorno
Controlo
electrónico
Ventilador
centrífugo
Ventilador do
condensador
Módulo
electrónico do
compressor
Módulo
electrónico do
compressor
Fusível 25A
(na caixa de fusíveis
original)
Compressor
Compressor
2 Amp.
PWM.
NTC 15KΩ a 25º
Consumo de 30 mAmp.
4 Amp.

Related product manuals