EasyManua.ls Logo

Dirna Mini cool compact - Page 29

Dirna Mini cool compact
Print Icon
To Next Page IconTo Next Page
To Next Page IconTo Next Page
To Previous Page IconTo Previous Page
To Previous Page IconTo Previous Page
Loading...
29
+
-
MAX. MIN.
MID CON
Az
Az
Az
Az
R
R
R
Az
R
N
R
R
R
V
M
M
M
M
M
M
N
N
N
N
N
N
R
Az
Az
R
R
R
R
B
B
M
N
N
N
N
N
N
R
A
Na
N
-
-
+
+
+
+
F
F
C
C
D
D
P
P
T
T
+
-
ºC
TEMP
ON/OFF
1
2
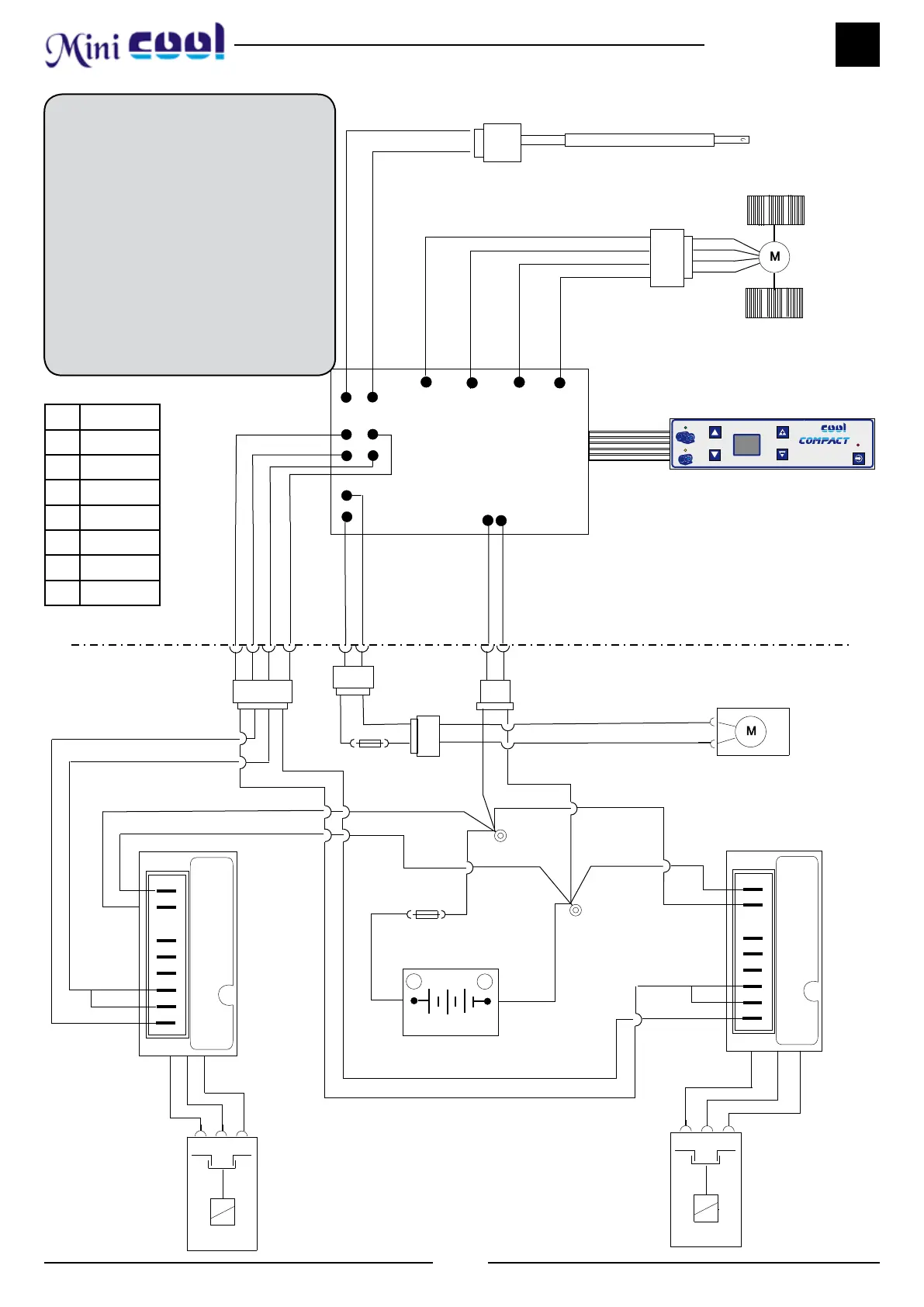
Mini
Electric wiring
Blower
Electronic module
Compressor
electronic
module
CompressorCompressor
25 A. Fuse
Fan
Wiring strip
Fan
Temperature probe
5 A. Fuse
IMPORTANT WARNING!
Make sure polarities are not inverted
when connecting equipment to bat-
tery. If this happens, electronic con-
trol will emit discontinuous whist-
les. Do not touch any key on panel
or on equipment control since irre-
versible damages could occur. When
hearing these discontinuous signals,
disconnect equipment from battery
and check connection polarity.
Battery
dirna, s.a.
EN
Az Blue
N Black
R Red
V Green
B White
A Yellow
Na Orange
M Brown

Other manuals for Dirna Mini cool compact

Related product manuals