EasyManua.ls Logo

Dixie Narco DNCB 501E - Refrigeration Circuit Diagrams

Default Icon
77 pages
Print Icon
To Next Page IconTo Next Page
To Next Page IconTo Next Page
To Previous Page IconTo Previous Page
To Previous Page IconTo Previous Page
Loading...
Page 69 of 72
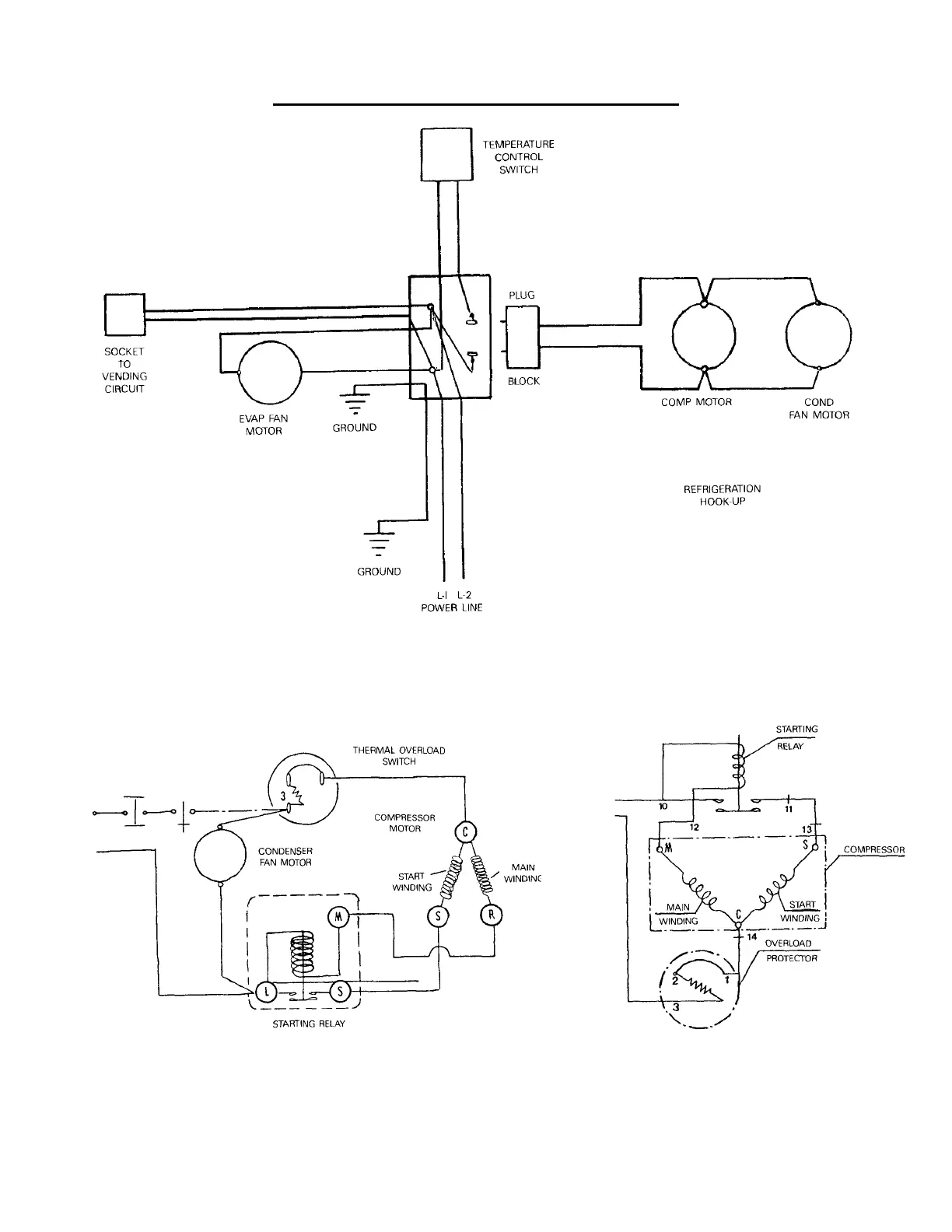
REFRIGERATION CIRCUIT DIAGRAMS
Tecumseh
Embraco

Related product manuals