EasyManua.ls Logo

Dixon 312 - Page 4

Dixon 312
9 pages
Print Icon
To Next Page IconTo Next Page
To Next Page IconTo Next Page
To Previous Page IconTo Previous Page
To Previous Page IconTo Previous Page
Loading...
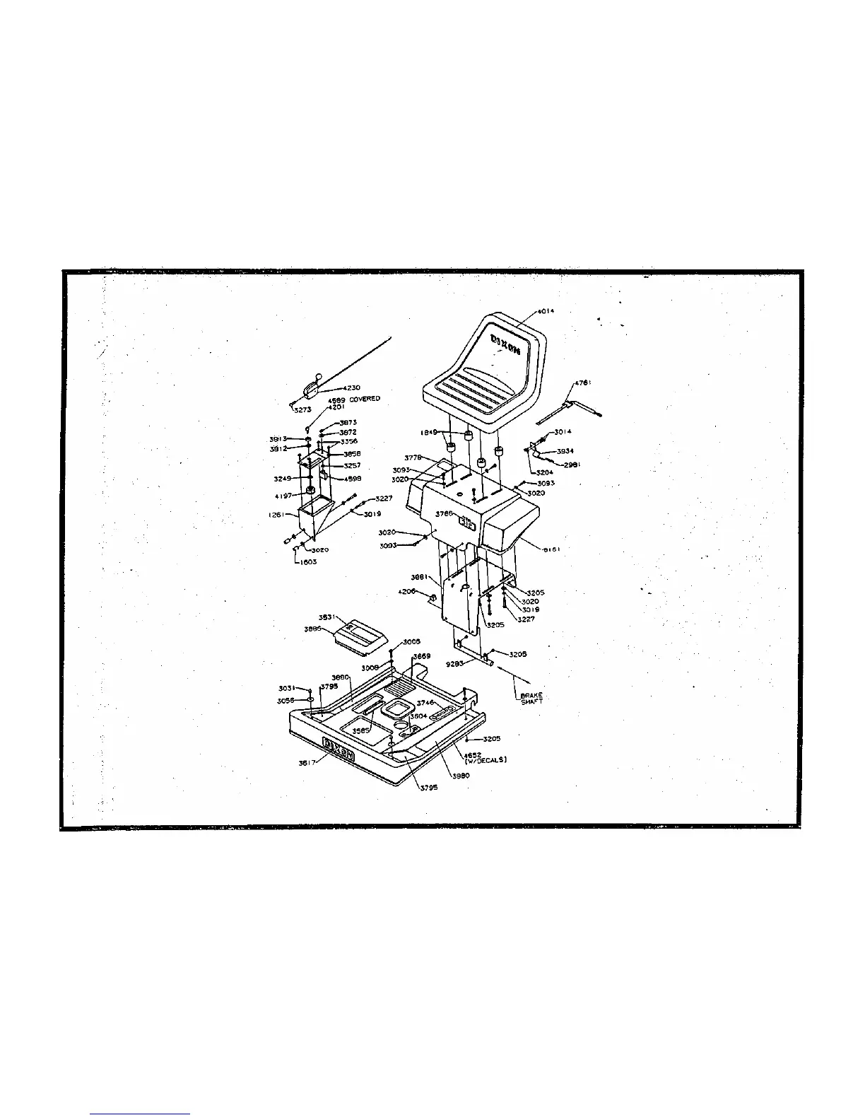
312 BODY ASSEMBLY

Related product manuals