EasyManua.ls Logo

Dixon ZTR 308 - Chassis Assembly (Model 308 & 311)

Dixon ZTR 308
6 pages
Print Icon
To Next Page IconTo Next Page
To Next Page IconTo Next Page
To Previous Page IconTo Previous Page
To Previous Page IconTo Previous Page
Loading...
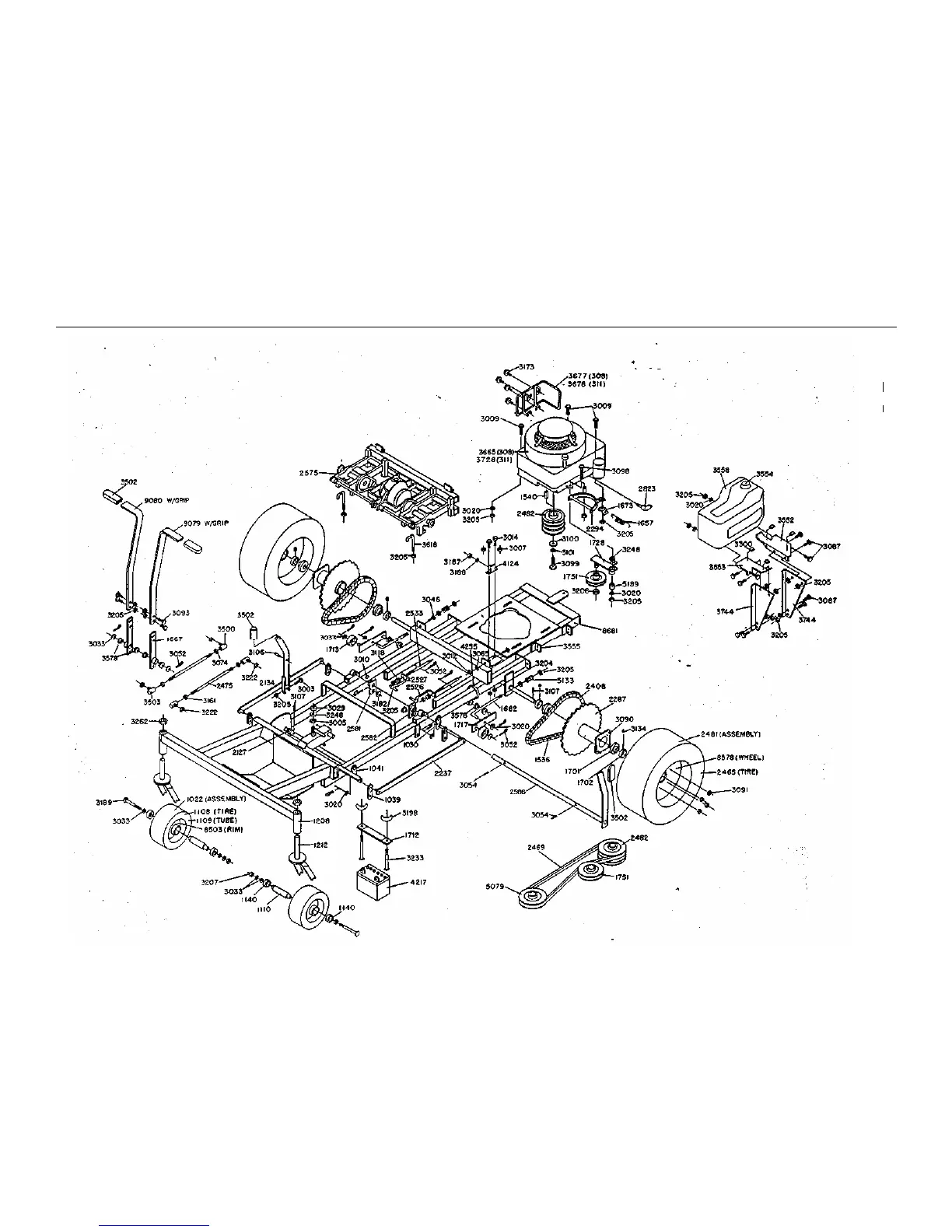
CHASSIS ASSEMBLY (MODEL 308 & 311)
PAGE 2 of 6

Related product manuals