EasyManua.ls Logo

DNA MA3 - Wiring Diagram and Connections; Wire Connection Diagram Overview

DNA MA3
12 pages
Print Icon
To Next Page IconTo Next Page
To Next Page IconTo Next Page
To Previous Page IconTo Previous Page
To Previous Page IconTo Previous Page
Loading...
5
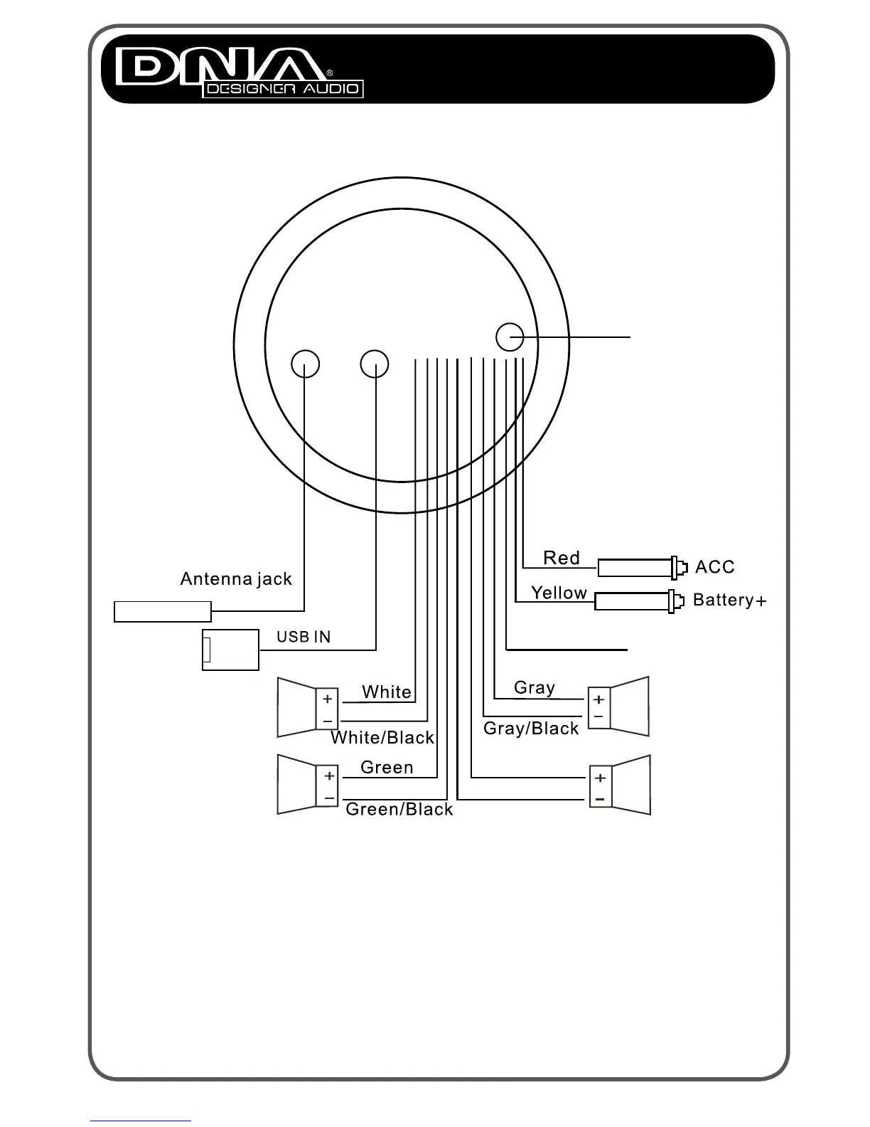
Wiring Diagram
Purple
Blank
Ground
5A
5A
3.5mm AUX IN
Purple/Black
WIRE CONNECTION DIAGRAM
MA3
REAR VIEW