EasyManua.ls Logo

Dodge 2006 Durango - Instrument Cluster

Dodge 2006 Durango
440 pages
Print Icon
To Next Page IconTo Next Page
To Next Page IconTo Next Page
To Previous Page IconTo Previous Page
To Previous Page IconTo Previous Page
Loading...
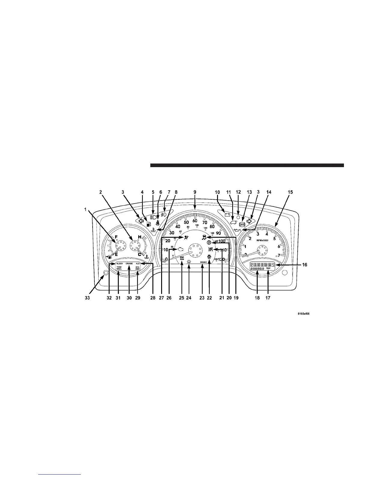
Instrument Cluster
182 INSTRUMENT PANEL AND CONTROLS

Table of Contents

Related product manuals