EasyManua.ls Logo

Domyos MS500 - Page 2

Domyos MS500
7 pages
Print Icon
To Next Page IconTo Next Page
To Next Page IconTo Next Page
To Previous Page IconTo Previous Page
To Previous Page IconTo Previous Page
Loading...
60 cm
23.6 in
60 cm
23.6 in
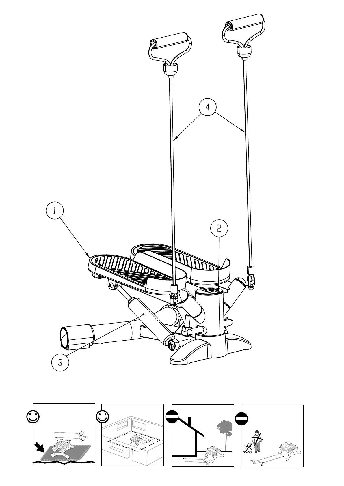
Pedal
Piston
Elasticated bands
Console

Related product manuals