EasyManua.ls Logo

Doosan D20SC-5 - Electrical System

Doosan D20SC-5
242 pages
Print Icon
To Next Page IconTo Next Page
To Next Page IconTo Next Page
To Previous Page IconTo Previous Page
To Previous Page IconTo Previous Page
Loading...
A Series Diesel Engine Electrical System 134
Electrical System
Electrical System
Description/Operation
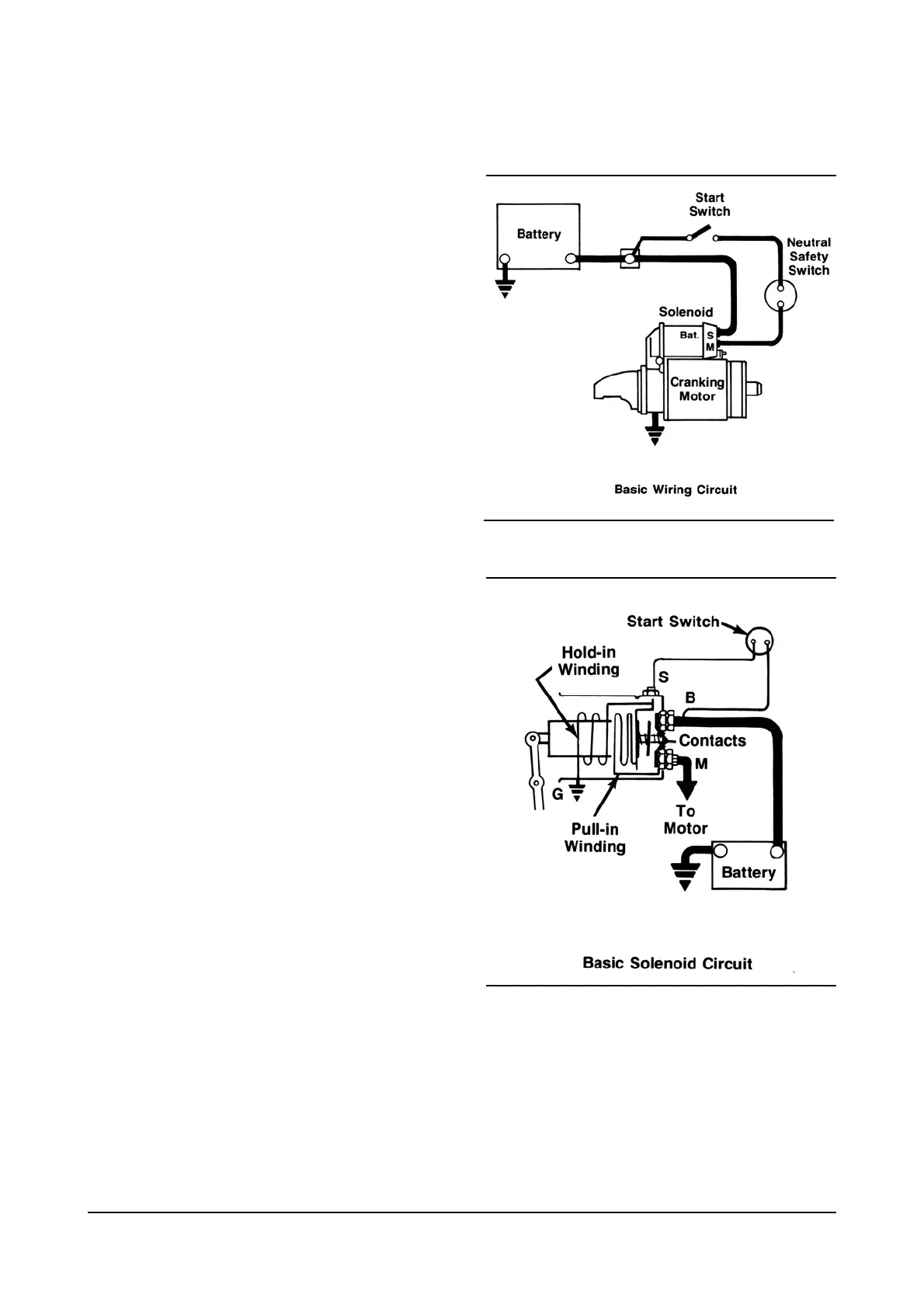
The electrical system basically consists of the starting
motor and the alternator.
The injection pump uses an electrical fuel shut off
valve. The function of the valve was discussed in the
fuel system section.
The engine should have temperature and oil pressure
sensors connected to indicators or wired for
automatic shutdown.
The engine may also be fitted with a block heater or
an oil pan heater.
Densko Poongsung 12V 2.0kw Starting Motor

Table of Contents

Related product manuals