EasyManua.ls Logo

Doosan D70S-5 - Page 72

Doosan D70S-5
366 pages
Print Icon
To Next Page IconTo Next Page
To Next Page IconTo Next Page
To Previous Page IconTo Previous Page
To Previous Page IconTo Previous Page
Loading...
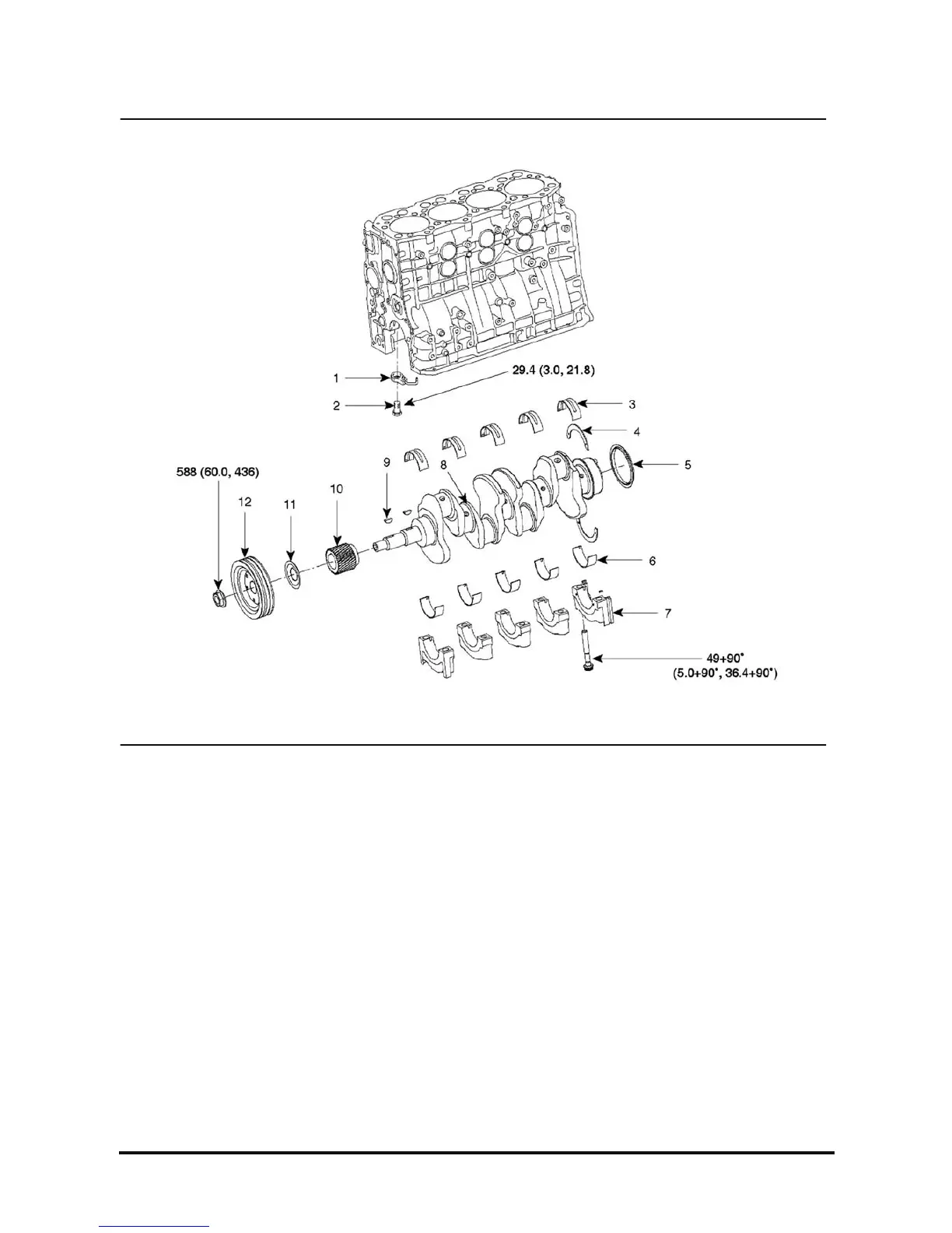
D439E Service Manual 2. Engine Mechanical System (D439E)
70
1. Oil jet
2. Oil jet mounting bolt
3. Upper main bearing
4. Thrust plate
5. Rear oil seal singer
6. Lower main bearing
7. Main bearing cap
8. Crankshaft assembly
9. Semicircular key
10. Crankshaft gear
11. Front oil seal slinger
12. Crankshaft pulley
Tightening Torque : Nm (kgf.m, Ib-ft)

Table of Contents

Other manuals for Doosan D70S-5

Related product manuals