EasyManua.ls Logo

Doosan D70S-5 - Cylinder Block Assembly

Doosan D70S-5
366 pages
Print Icon
To Next Page IconTo Next Page
To Next Page IconTo Next Page
To Previous Page IconTo Previous Page
To Previous Page IconTo Previous Page
Loading...
D439E Service Manual 2. Engine Mechanical System (D439E)
69
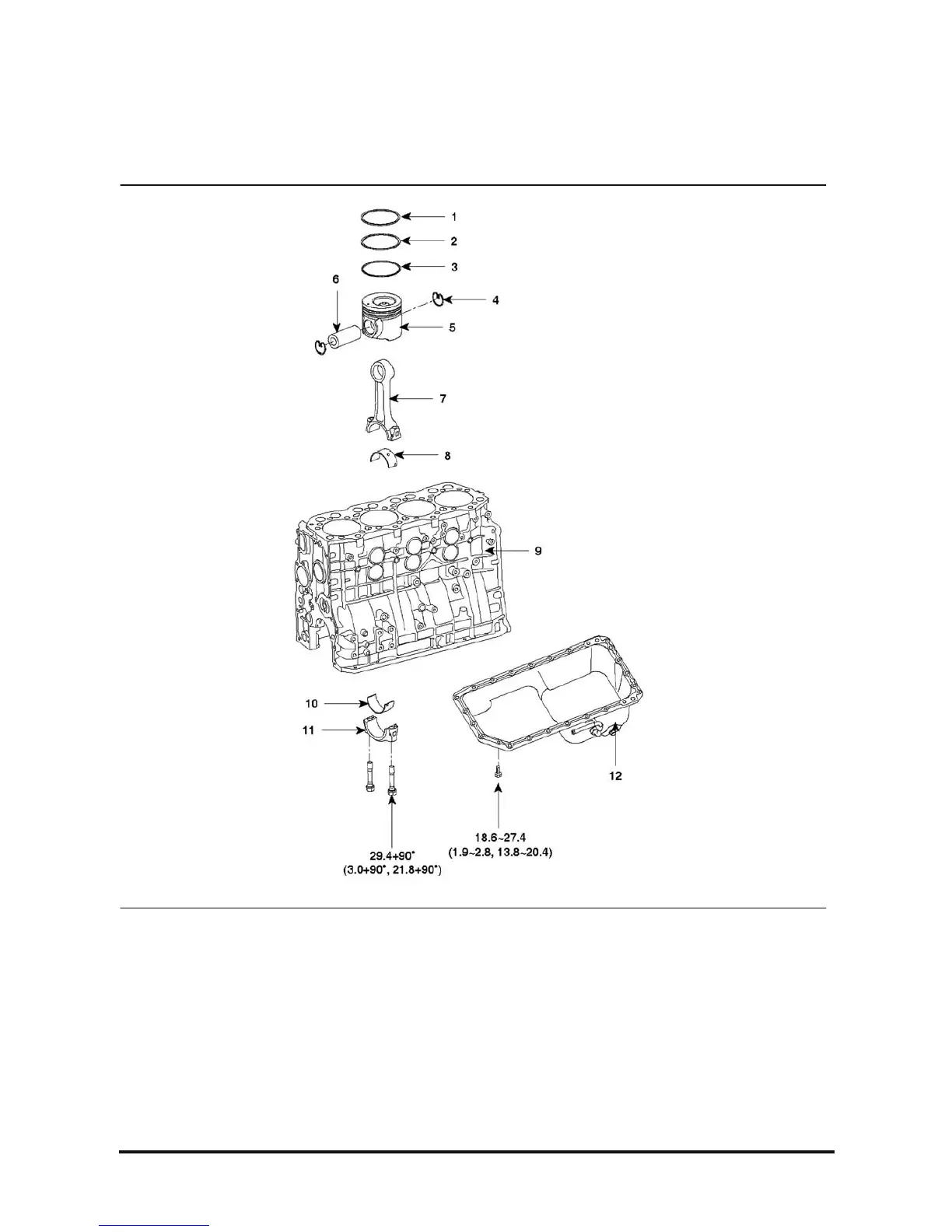
Cylinder Block Assembly
Components
1. Compression ring No.1
2. Compression ring No.2
3. Oil ring No.3
4. Snap ring
5. Piston
6. Piston pin
7. Connecting rod
8. Connecting rod upper bearing
9. Crankcase
10. Connecting rod lower bearing
11. Connecting rod cap
12. Oil pan
Tightening Torque : Nm (kgf.m, Ib-ft)

Table of Contents

Other manuals for Doosan D70S-5

Related product manuals