EasyManua.ls Logo

Doosan DP180LAS - Electrical Wiring Diagram

Doosan DP180LAS
262 pages
Print Icon
To Next Page IconTo Next Page
To Next Page IconTo Next Page
To Previous Page IconTo Previous Page
To Previous Page IconTo Previous Page
Loading...
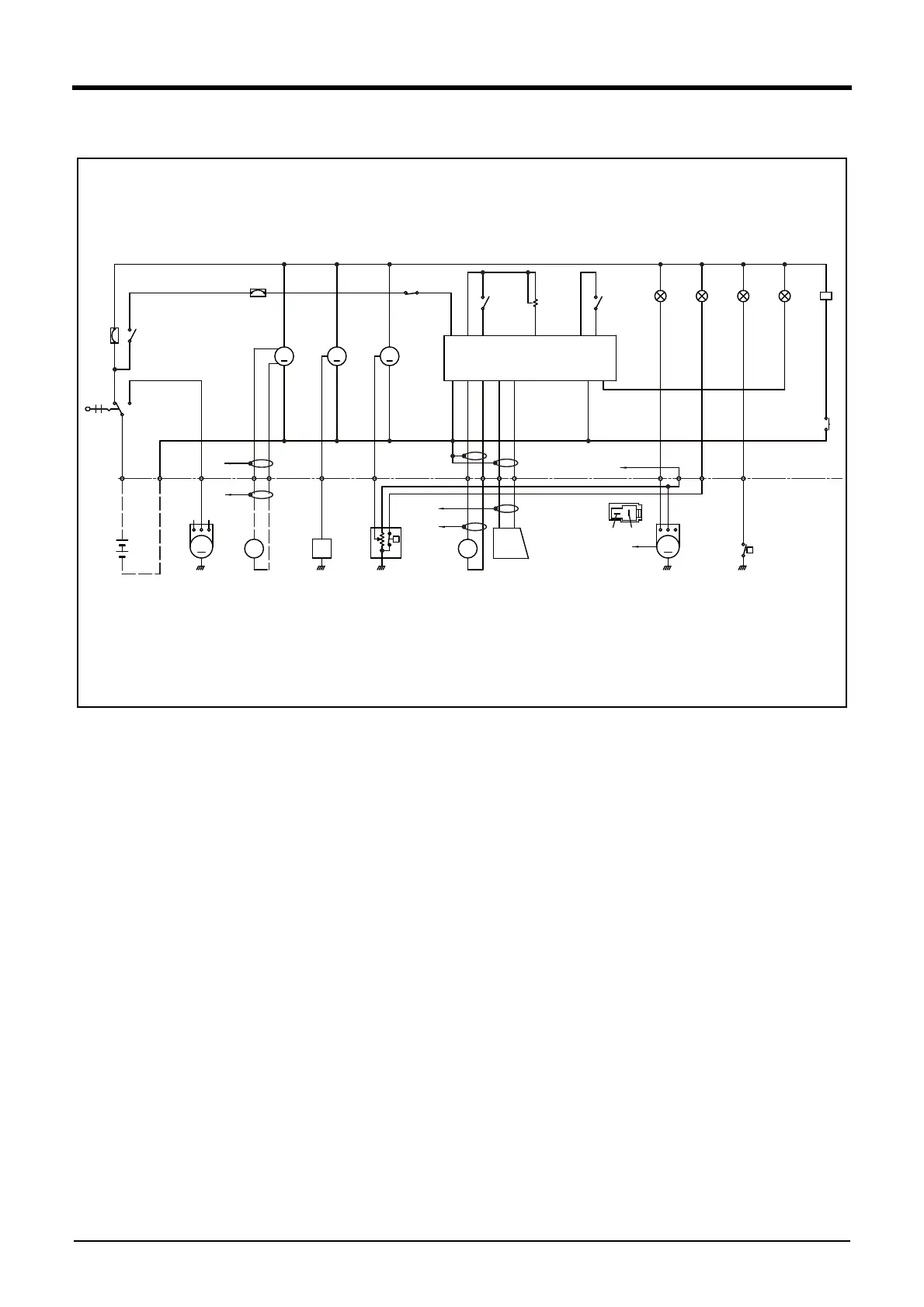
11. Electric system
168
Electrical Wiring diagram
DV2213212A
C1
S1
ON
START
B
ACC
BR
C
F1
L
P1 P2 P3
Bat.-
+
-
+
-
SS
8
4
3
0.85R0.85R
0.85B
0.85
0.5WR
0.85
7
3.0Y
5A
3.0Y
0.5G
0.5L
Control Unit Ass'y
65.11220-7011/7012
0.85
0.85
1.25
1.25
C D AB
GM
F
F2
10A
2.0R
2.0R
E
21
OFF - RUN
ON - IDLE
SWITCH
ON-OFF
CONTROL UNIT
IDLE-RUN
over speed
St. +
Alternator
B+
0.85B
L
R
P
S1.ACC(1.25W)
0.5WB
0.85BrB
S2
H6
-
0.5GY
-
+
H7
+
0.5WR
H9
-
0.5LY
+
H8
-
+
Battery Starter
+ -
Sensor
Water temp.
Pick-up
Speed
-
+
Bat.-
Sensor
Engine oil
G
G
Pick-up
Speed Actuator
-
+
Bat.-
Bat.-
D1
-
+
WK
Water temp.
Switch
103°C
T
W
D1
87a
30
2.0R
0.5
P
bar
B
GND
(User Supply)
(User Supply)
5K
J
REGISTER
SPEED TRIM
KL
OFF - STANDARD
ON - DROOP
SWITCH
DROOP
LR
N TPr
GM
°CPU PU

Table of Contents