EasyManua.ls Logo

Doosan G420F - Front Case and Oil Pump

Doosan G420F
326 pages
Print Icon
To Next Page IconTo Next Page
To Next Page IconTo Next Page
To Previous Page IconTo Previous Page
To Previous Page IconTo Previous Page
Loading...
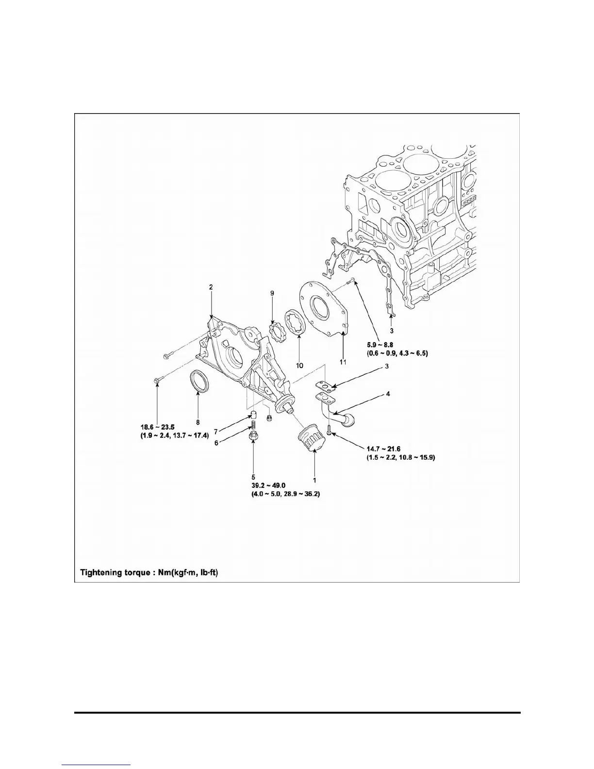
G420F(FE) Service Manual Chapter 3. Engine Mechanical System 78
Front Case and Oil Pump
COMPONENTS
1. Filter 7.Relief plunger
2. Front case 8.Oil seal
3. Gasket 9.Inner rotor
4. Oil screen 10.Outer rotor
5. Plug 11.Pump cover
6.Relief spring

Table of Contents