EasyManua.ls Logo

Doosan G424F - Engine Exploded View

Doosan G424F
306 pages
Print Icon
To Next Page IconTo Next Page
To Next Page IconTo Next Page
To Previous Page IconTo Previous Page
To Previous Page IconTo Previous Page
Loading...
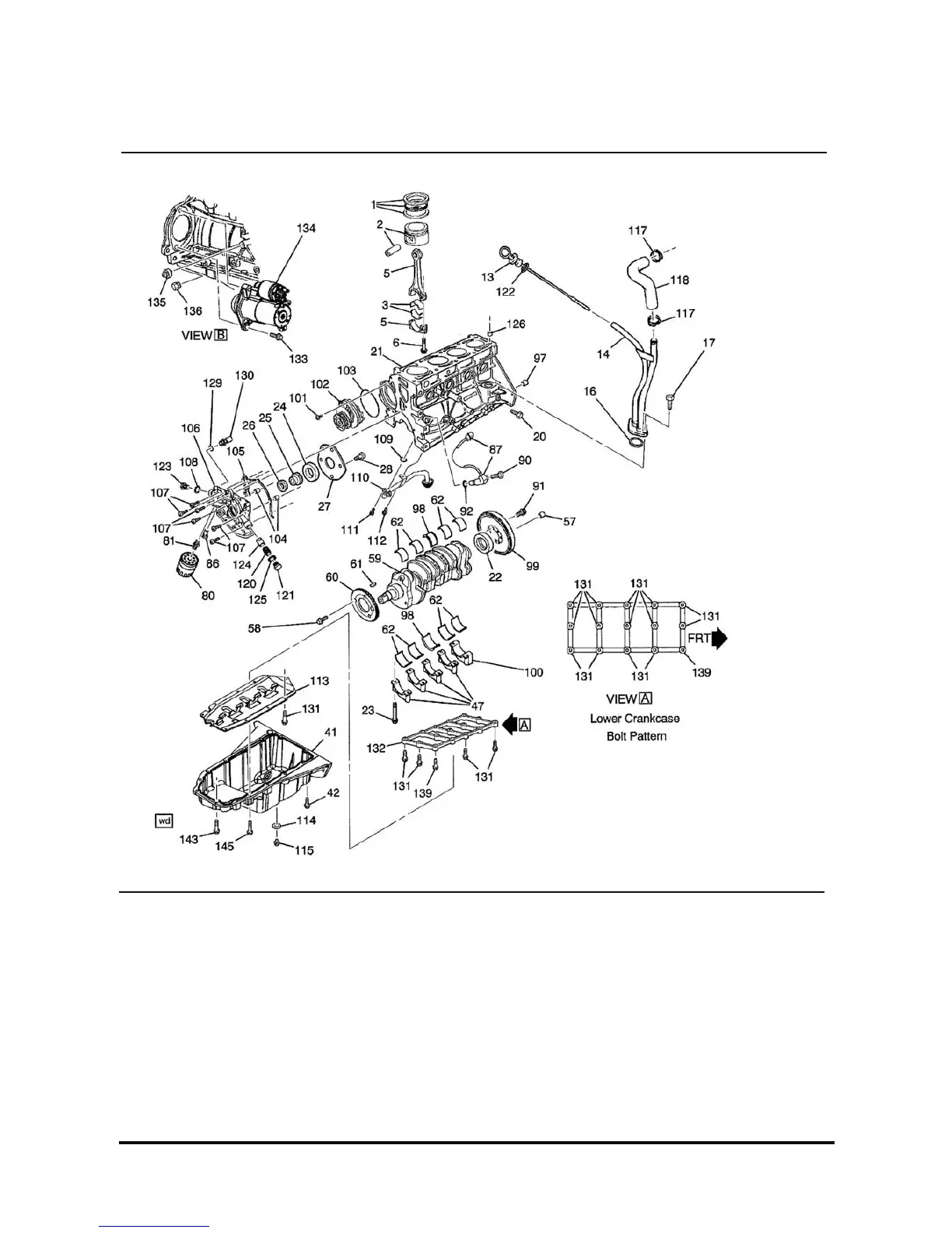
G424F(FE) Service Manual Chapter 3. Engine Mechanical System 39
Engine Exploded View (1 of 2)
1) RING KIT 2) PISTON 3) BEARING KIT 5) ROD 6) BOLT
13) INDICATORK,OIL LVL 14) HOSE 16) GASKET 17) BOLT 20) PLUG
21) ENGINE 22) SEAL 23) BOLT 24) GEAR 25) GEAR
26) SEAL 27) COVER 28) BOLT 41) PAN,OIL 42) BOLT
47) CAP 57) BEARING 58) BOLT 59) CRANKSHAFT 60) RING
61) KEY 62) BEARING KIT 80) FILTER 81) FITTING 86) VALVE
87) SENSOR 90) BOLT 91) BOLT 92) SEAL 97) PIN
98) BEARING KIT 99) PLATE 100) CAP 101) BOLT 102) PUMP
103) SEAL 104) PIN 105) GASKET 106) PUMP 107) BOLT
108) SEAL 109) SEAL 110)PIPE 111) BOLT 112) BOLT
113) BAFFLE 114) SEAL 115) PLUG 117) CLAMP 118) HOSE
120) SPRING 121) PLUG 122) SEAL 123) PLUG 124) VALVE
125) GASKET 126) PIN 129) SEAL 130) SWITCH 131) BOLT
132) PLATE 133) BOLT 134) STARTER 135) SENSOR 136) PLUG
139) BOLT 143) BOLT 145) BOLT

Table of Contents

Related product manuals