EasyManua.ls Logo

Doyon DRIP1TLO - Page 40

Doyon DRIP1TLO
47 pages
Print Icon
To Next Page IconTo Next Page
To Next Page IconTo Next Page
To Previous Page IconTo Previous Page
To Previous Page IconTo Previous Page
Loading...
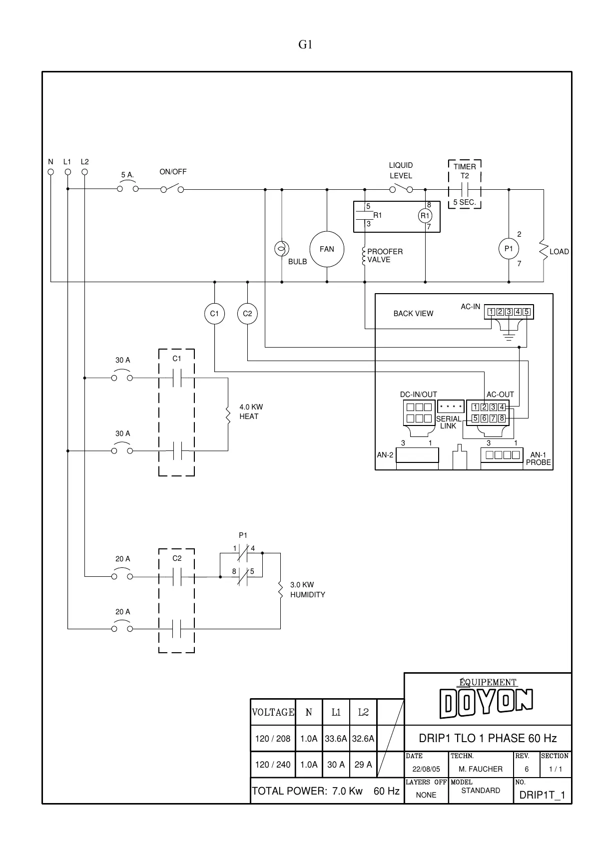
G1
LOAD
T2
TIMER
5 SEC.
5 A.
C1
30 A
C1
20 A
C2
L2
20 A
ON/OFF
NL1
30 A
P1
LIQUID
LEVEL
C2
FAN
BULB
3.0 KW
HUMIDITY
4.0 KW
HEAT
1 4
8 5
P1
7
2
AC−IN
AN−1
1
3
3
1
AN−2
DC−IN/OUT AC−OUT
SERIAL
LINK
BACK VIEW
12
3
4
5
7
68
PROBE
12
3
4
5
PROOFER
VALVE
R1
8
7
R1
5
3
120 / 240 1.0A 30 A 29 A
DRIP1 TLO 1 PHASE 60 Hz
22/08/05 M. FAUCHER 6
NONE
STANDARD
DRIP1T_1
1 / 1
120 / 208 1.0A 33.6A 32.6A
TOTAL POWER: 7.0 Kw 60 Hz
All manuals and user guides at all-guides.com

Related product manuals