EasyManua.ls Logo

DR Premier 375 - Page 39

DR Premier 375
44 pages
Print Icon
To Next Page IconTo Next Page
To Next Page IconTo Next Page
To Previous Page IconTo Previous Page
To Previous Page IconTo Previous Page
Loading...
CONTACT US AT www.DRpower.com 39
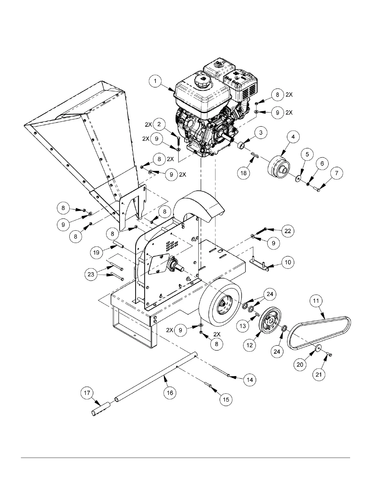
Schematic Drive Assembly

Related product manuals