EasyManua.ls Logo

DR PRO MAX30 - Page 33

DR PRO MAX30
36 pages
Print Icon
To Next Page IconTo Next Page
To Next Page IconTo Next Page
To Previous Page IconTo Previous Page
To Previous Page IconTo Previous Page
Loading...
CONTACT US AT www.DRpower.com 33
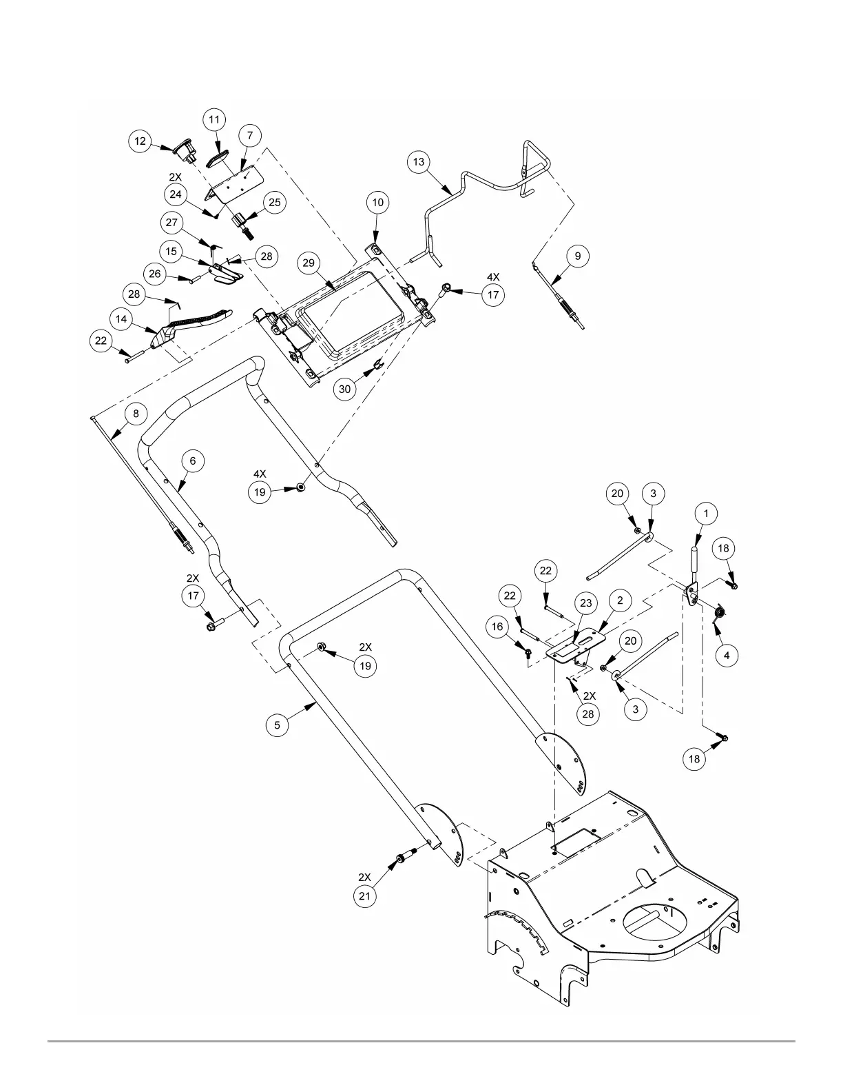
Schematic Handlebar Assembly