EasyManua.ls Logo

Drawmer MXPro MX30 - Page 6

Drawmer MXPro MX30
15 pages
Print Icon
To Next Page IconTo Next Page
To Next Page IconTo Next Page
To Previous Page IconTo Previous Page
To Previous Page IconTo Previous Page
Loading...
MX30 OPERATORS’ MANUAL4
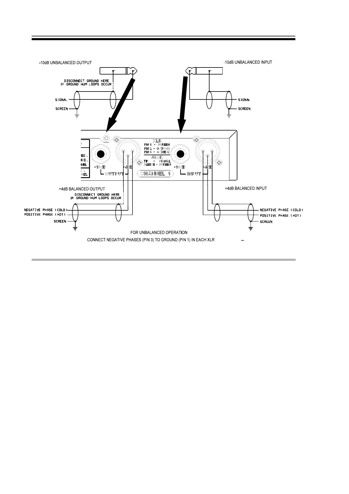
AUDIO CONNECTION DIAGRAM

Related product manuals