EasyManua.ls Logo

Drill Master 91176 - Assembly Diagram

Drill Master 91176
15 pages
Print Icon
To Previous Page IconTo Previous Page
To Previous Page IconTo Previous Page
Loading...
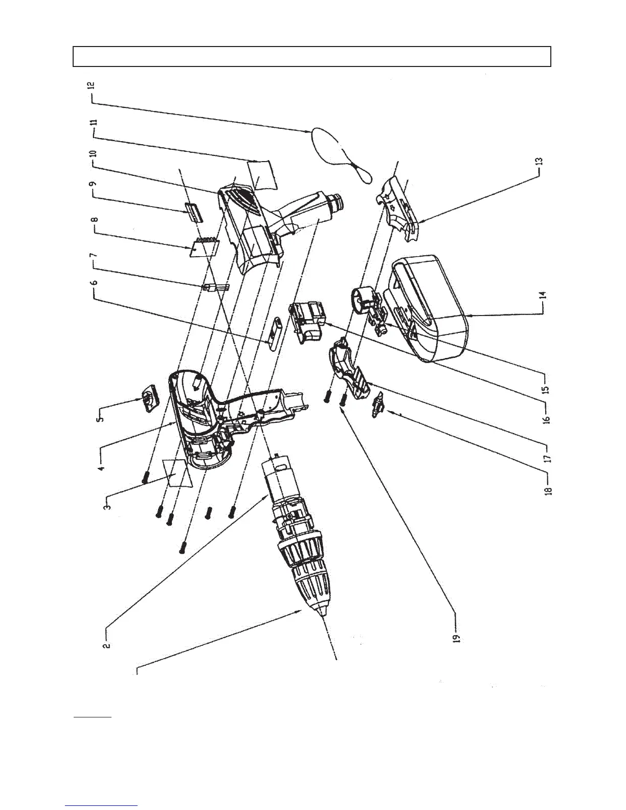
SKU 91176 PAGE 15
ASSEMBLY DIAGRAM
NOTE: Some parts are listed and shown for illustration purposes only, and are not
available individually as replacement parts.
1
The AC/DC Adapter and Charger Base (20) is not shown.

Related product manuals