EasyManua.ls Logo

DSC PC1555 - 2.9 Fire Zone Wiring; 2.10 24-Hr Auxiliary Input Wiring (PGM2); 2.11 LINKS Zone Wiring*

DSC PC1555
52 pages
Print Icon
To Next Page IconTo Next Page
To Next Page IconTo Next Page
To Previous Page IconTo Previous Page
To Previous Page IconTo Previous Page
Loading...
6
NOTE:Only one NC contact can be connected to each zone.
Wiring multiple detection devices or contacts on a single loop
is not allowed.
The following chart shows zone status under certain condi-
tions:
Loop Resistance Loop Status
0 (shorted wire, loop shorted) Fault
5600 (contact closed) Secure
Infinite (broken wire, loop open) Tamper
11200 (contact open) Violated
End of Line Resistors. . . . . . . . . . . . . . . . . .Section [013]: [1]
Double End of Line Resistors . . . . . . . . . . .Section [013]: [2]
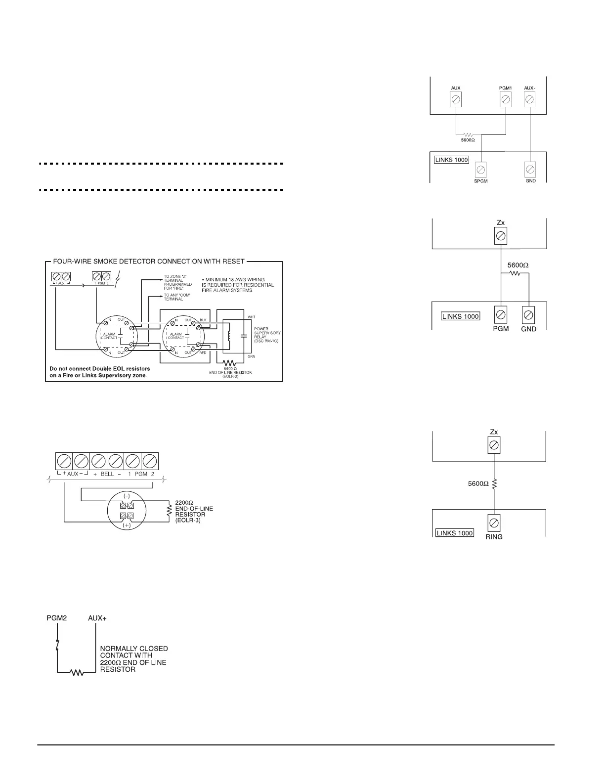
2.9 Fire Zone Wiring
NOTE:4-Wire Smoke Detectors
All fire zones must be wired according to the following dia-
gram:
2-Wire Smoke Detectors
The following 2-wire smoke detectors may be used: ESL429AT
and DSC MN220. If PGM2 has been programmed for a 2-wire
Smoke Detector connection
, the detectors must be wired
according to the following diagram:
NOTE:If PGM2 is programmed for 2-wire smoke support, the
connector JP1 on the main board must be removed.
2.10 24-Hr Auxiliary Input Wiring (PGM2)
If PGM2 has been programmed for 24-hour operation, the
zone must be wired according to the following diagram:
NOTE:If PGM2 is pro-
grammed for 24-Hr Auxil-
iary Input support, the
connector JP1 on the
main board must be
removed.
2.11 LINKS Zone Wiring*
LINKS Support
When using the LINKS1000
cellular communicator, con-
nect the LINKS to the main
panel according to the fol-
lowing diagram:
LINKS Supervision (24 Hour Supervisory)
When using the
LINKS1000 cellular com-
municator, any main board
zone may be configured
for LINKS Supervision. Pro-
gram this zone as zone
type [09], 24 Hour Supervi-
sory in section [001].
With a LINKS Supervisory
zone, if the LINKS1000
experiences a trouble, the
zone will be violated, caus-
ing the panel to report the
event to the central station.
This type of zone always
requires a single EOL
resistor (5600).
Wire this zone according to the above diagram.
LINKS Answer
When using the LINKS1000
cellular communicator, any
main board zone may be
configured for LINKS
Answer.
A zone configured for
LINKS Answer allows
downloading to be per-
formed in the event of tele-
phone line failure. When
the LINKS receives a tele-
phone call, it will activate
the RING terminal on the
LINKS circuit board. The
zone programmed as
LINKS Answer always
requires a single EOL resis-
tor (5600).
Wire the LINKS Answer zone according to the above diagram.
NOTE: The LINKS Answer zone is only required for download-
ing to the panel via the LINKS.
NOTE: When using the LINKS, Busy Tone Detection must not
be used.
NOTE: Keypad zones cannot be used for 24 Hour Supervisory
or LINKS Answer.
*Not investigated by UL.

Table of Contents

Related product manuals