EasyManua.ls Logo

DSPPA MP260U - 3 Connection Diagram

DSPPA MP260U
12 pages
Print Icon
To Next Page IconTo Next Page
To Next Page IconTo Next Page
To Previous Page IconTo Previous Page
To Previous Page IconTo Previous Page
Loading...
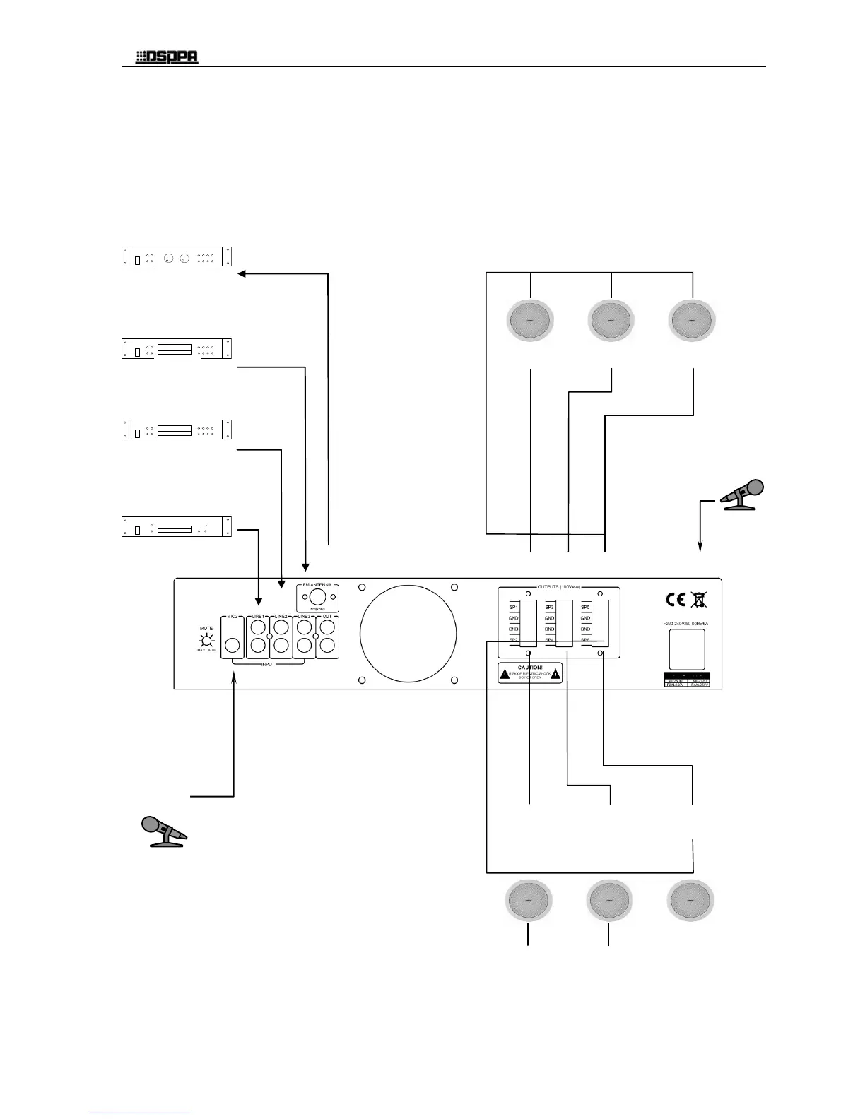
* * 6 Zones Mixer Amplifier with USB/Tuner
3.Connection Diagram
Mic 1
CD/MP3 PLAYER MP9906
Cassette Player
TAPE DECK MP9907
CD/MP3 Player
TAPE DECK MP9907
Tuner
TAPE DECK MP9907
CH1
CH2
Amplifier
Mic 2
Zone 2
Zone 4
Zone 6
Zone1
Zone 3
Zone 5

Related product manuals