EasyManua.ls Logo

DTS NETIMPRESS avant - Page 20

DTS NETIMPRESS avant
57 pages
Print Icon
To Next Page IconTo Next Page
To Next Page IconTo Next Page
To Previous Page IconTo Previous Page
To Previous Page IconTo Previous Page
Loading...
19
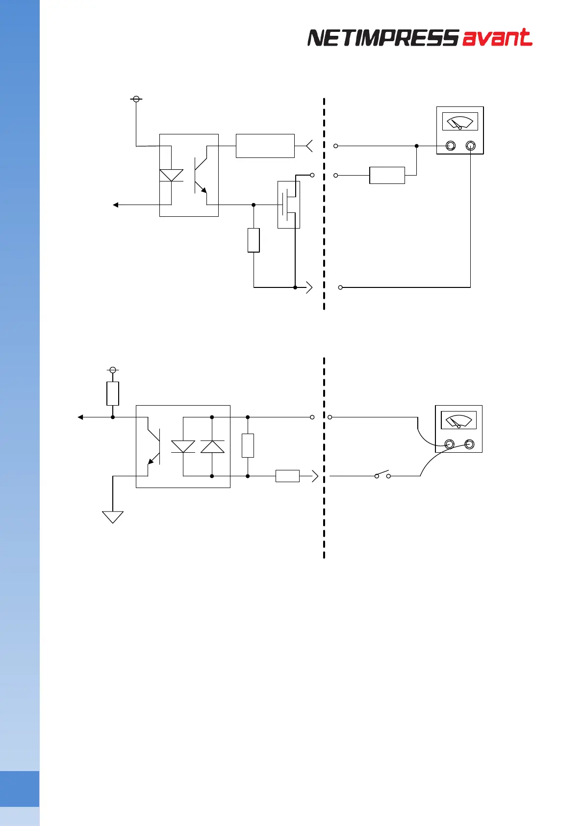
PS2801
C
[
Type A]
external power supply
DC
+12 to 24V
R
DOVCC
DOCOM
voltage
conversion
R
R
R
1.5K
PS2805C
DIVCC
HW RST
EXT1/EXT2
CLR
STEP/START
Digital I/O IN1 to 10
external
power supply
DC+12 to
24V
Relay
[Type B]
5.6K
Load
Pass
Error
Run
Digital I/O OUT
[Connection of output signal]
Use it by connecting to devices controlled by current drive, such as relay control or LED.
You can also use it by connecting to devices for current sink output like [Type B].
[Connection of input signal]
Use it by connecting to devices which can be controlled by current drive, like devices having a switch
or transistor output.