EasyManua.ls Logo

DTS NETIMPRESS avant - Page 49

DTS NETIMPRESS avant
57 pages
Print Icon
To Next Page IconTo Next Page
To Next Page IconTo Next Page
To Previous Page IconTo Previous Page
To Previous Page IconTo Previous Page
Loading...
48
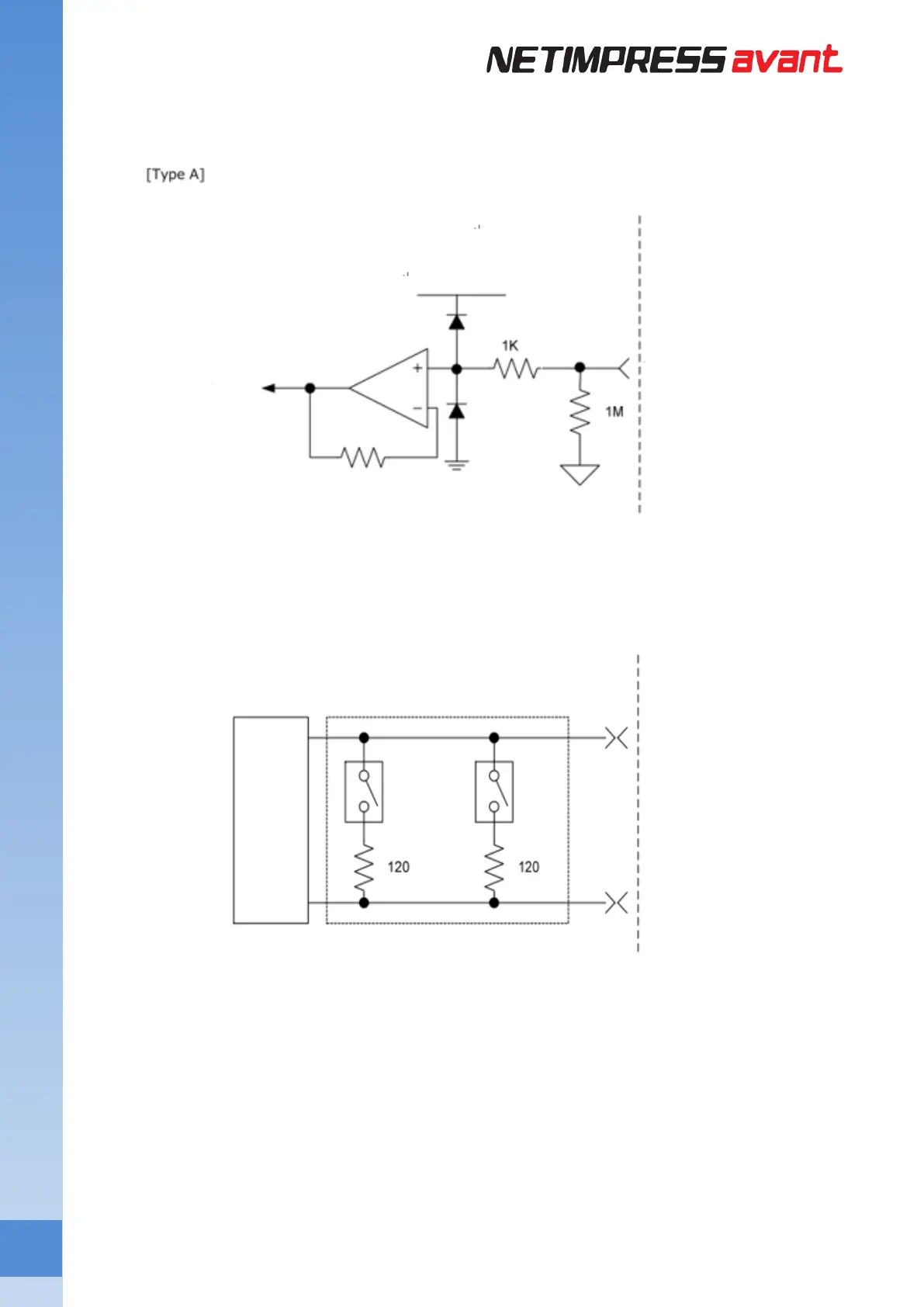
Interface circuit specification
CANL
CANH
[Type B]
Configuration circuit of terminating
resistance
Relay
CANH
User target side
CAN Tr
Relays initial condition is OFF” (“OPEN condition: No terminating resistance).
CANL
NET IMPRESS side
NET IMPRESS side User target side
+5V
(internal power)
To voltage monitor
TVccs
circuit