EasyManua.ls Logo

Duke IRHS22 - Wiring Schematic

Duke IRHS22
28 pages
Print Icon
To Next Page IconTo Next Page
To Next Page IconTo Next Page
To Previous Page IconTo Previous Page
To Previous Page IconTo Previous Page
Loading...
IRHS Holding Unit
Restaurant Equipment Manual
22
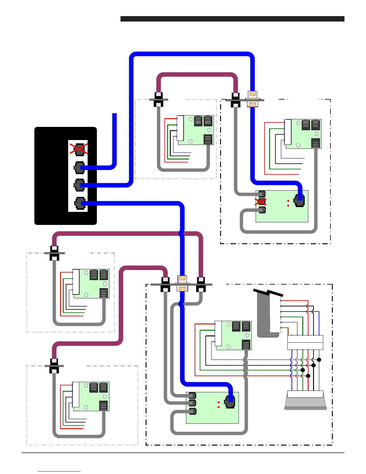
WIRING SCHEMATICS
FOR REFERENCE ONLY - UNIT TO BE SERVICED BY AUTHORIZED PERSONNEL ONLY
HMC-34
KITCHEN
MINDER
INTERFACE
RED
BLK
BLU
GRN
YEL
WHT
RED
BLK
GRN
WHT
6
5
4
3
2
1
ADAPTER
PCB
1
2
3
4
USB
6
5
4
3
2
1
6
5
4
3
2
1
P2
KITCHEN MINDER
ADAPTER
PCB
1
2
3
4
MASTER
(RJ45) WRM 1
3-CONNECT
REAR PANEL
IRHS22, IRHS23, IRHS 24 and IRHS42
MASTER WRM 1
KITCHEN
MINDER
INTERFACE
RED
BLK
GRN
WHT
ADAPTER
PCB
1
2
3
4
MASTER
(RJ45) WRM 1
2-CONNECT
REAR PANEL
IRHS34 MASTER WRM 1
ADAPTER
PCB
1
2
3
4
ADAPTER
PCB
1
2
3
4
SINGLE
CONNECT
REAR PANEL
Additonal MASTER
(RJ45) IRHS UNIT
IRHS22, IRHS23, IRHS24
and IRHS42
SATELLITE 1 (RJ11) WRM 2
IRHS22, IRHS23, IRHS24,
IRHS34 and IRHS42
SATELLITE 2 (RJ11) WRM 3
COM1
IRHS22, IRHS23, IRHS24,
IRHS 34 and IRHS42
SATELLITE 2 (RJ11) WRM 3
COM2 COM3 COM4
NOTE:
Kitchen Minder COM 4 Port
not used for IRHS model
communications.
See Kitchen Minder
Instructions for additional
Information
NOTE: IRHS34 Models
Master is limited to one
IRHS22, IRHS23, IRHS34,
IRHS24 or IRHS42 Satellite
configurations
SINGLE
CONNECT
REAR
PANEL
SINGLE
CONNECT
REAR
PANEL
NOT
USED
NOTE: If a IRHS34 unit is used
as Satellite2 this eliminates the
capability of a Satellite 1
configuration
166255
REV C

Other manuals for Duke IRHS22

Related product manuals