EasyManua.ls Logo

Dunkirk PVSB-4D - Page 17

Dunkirk PVSB-4D
36 pages
Print Icon
To Next Page IconTo Next Page
To Next Page IconTo Next Page
To Previous Page IconTo Previous Page
To Previous Page IconTo Previous Page
Loading...
17
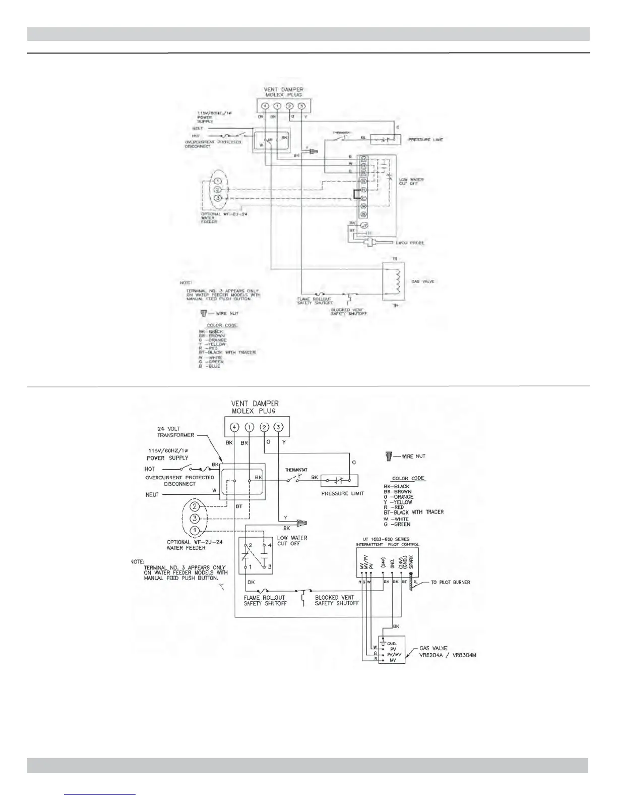
ELECTRICAL WIRING
If any of the original wire as supplied with this appliance must be replaced, it must be replaced with type 105°C
Thermoplastic wire or its equivalent.
Figure 12 - Wiring Diagrams For Boilers With PS-802 Probe Type Low Water Cut-Off
STANDING PILOT

Related product manuals